Semtech LR1110 LoRa Edge™ Transceiver

Der Semtech LR1110 LoRa Edge™ Transceiver ist so ausgelegt, dass er den Anforderungen der physikalischen Schicht der LoRaWAN®-Spezifikation entspricht. Der LR1110 Transceiver ist eine Plattform mit extrem geringem Stromverbrauch, die einen LoRa-Transceiver mit großer Reichweite, einen GNSS-Scanner mit mehreren Konstellationen und einen passiven Wi-Fi-MAC-Adressscanner für Geolocation-Applikationen integriert. Dieser Transceiver mit großer Reichweite unterstützt LoRa® und GFSK-Modulationen (Gaussian Frequency Shift Keying) für LPWAN. Der LR1110 Transceiver ist hochgradig konfigurierbar, um verschiedene Applikationsanforderungen zu erfüllen, die den globalen LoRaWAN-Standard oder proprietäre Protokolle nutzen. Dieser Transceiver verfügt über einen GNSS-Empfänger (Global Navigation Satellite System), der eine schnelle und energieeffiziente Geolocation im Freien ermöglicht. Zu den Applikationen gehören die Asset-Ortung, die Asset-Rückverfolgbarkeit, die Verhinderung von Asset-Verlust und Diebstahl, die Asset-Wiederherstellung und die Bestandsverwaltung.

Merkmale

  • Hochempfindlicher LoRa/GFSK-Halbduplex-HF-Transceiver mit geringem Stromverbrauch:
    • Weltweite Unterstützung für ISM-Frequenzbänder im Bereich 150 MHz bis 960 MHz
    • Rauscharmes RX-Frontend für verbesserte LoRa/GFSK-Empfindlichkeit
    • +22 dBm Hochleistungs-PA-Pfad
    • +15 dBm hocheffizienter PA-Pfad
    • Integrierter PA-Regler-Versorgungswähler zur Vereinfachung der Dual-Power +15/+22 dBm mit einer Board-Implementierung
    • Die Schaltung kann weltweite Stücklisten für mehrere Regionen unterstützen und passt sich dem entsprechendenNetzwerk an, um die gesetzlichen Grenzwerte einzuhalten
    • Vollständig kompatibel mit der SX1261/2/8-Produktfamilie und dem LoRaWAN® -Standard, definiert von der LoRa Alliance®
  • Mehrzweck-Funk-Frontend für Geopositionierungszwecke:
    • GNSS (GPS/BeiDou) Scannen mit geringem Stromverbrauch
    • Passives 802.11b/g/n Wi-Fi-Scannen mit extrem geringem Stromverbrauch
    • 150 MHz bis 2700 MHz kontinuierlicher Frequenzsynthesizerbereich
    • RX-ADC mit hoher Bandbreite (bis zu 24 MHz DSB)
    • Digitale Basisbandverarbeitung

Applikationen

  • Asset-Ortung
  • Asset-Wiederherstellung
  • Asset-Rückverfolgbarkeit
  • Bestandsverwaltung
  • Verhinderung von Asset-Verlust und Diebstahl

Blockdiagramm

Blockdiagramm - Semtech LR1110 LoRa Edge™ Transceiver

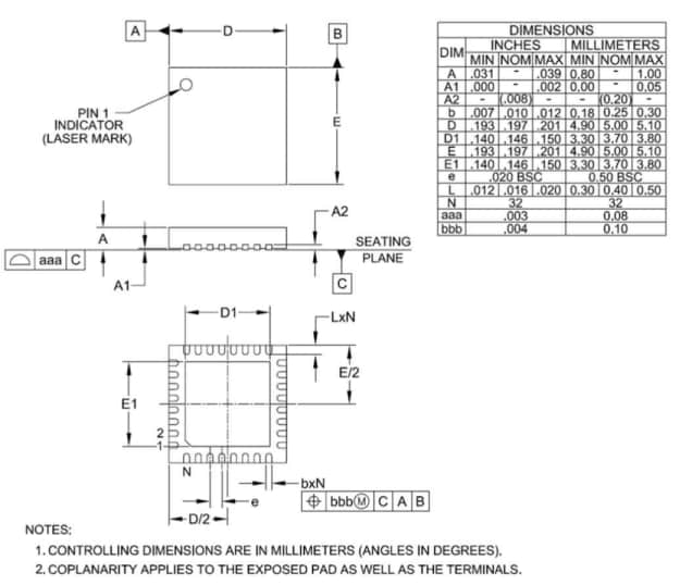
Mechanisches Zeichnen

Technische Zeichnung - Semtech LR1110 LoRa Edge™ Transceiver

LR1110 Modi und Übergänge

Semtech LR1110 LoRa Edge™ Transceiver

Videos

Veröffentlichungsdatum: 2020-04-20 | Aktualisiert: 2024-12-03