Semtech RClamp®10022PWQ Überspannungsbegrenzer (TVS)
Der Semtech RClamp®10022PWQ Überspannungsbegrenzer (TVS) ist für den ESD-Schutz von 100BASE-T1- und 1000BASE-T1-Schnittstellen in Automotive-Umgebungen ausgelegt. Dieses Entstörelement mit zwei Leitungen nutzt die Silizium-Avalanche-Technologie für eine hervorragende ESD- und TLP-Klemmleistung. Der RClamp10022PWQ TVS von Semtech bietet eine Schaltleistung von ±15 kV, einen Luftentladungsschutz gemäß ±25 kV IEC 61000-4-2 und eine maximale Nennkapazität von 0,6 pF. Der RClamp10022PWQ TVS erfüllt die Open Alliance Standards für 10BASE-T1S-, 100BASE-T1- und 1000BASE-T1-Applikationen und gewährleistet eine zuverlässige Ethernet-Konnektivität für erweiterte Fahrerassistenzsysteme (FAS) und autonomes Fahren.Merkmale
- Open Alliance-konform
- Qualifiziert gemäß AEC-Q100
- Solid-State-Silizium-Avalanche-Technologie
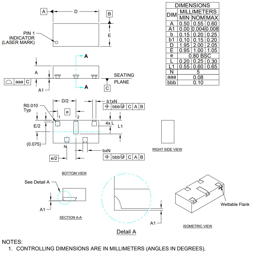
- Seitlich benetzbare Flanken
- Gehäusedesign optimiert für einfaches Layout
Applikationen
- 2.5G/5G/10GBASE-T1
- Open Alliance 100/1000BASE-T1-Ethernet
- Fahrzeuginterne Automotive-Netzwerkleitungen
Technische Daten
- ESD gemäß IEC 61000-4-2
- ±15 kV für Kontakt
- ±25 kV für Luft
- ESD gemäß ISO 10605
- ±30 kV für Kontakt und Luft
- ±15 kV für Kontakt
- ±15 kV pro 1.000 Kontaktentladungen
- Maximale Nennkapazität: 0,6 pF
- Mindest-TVS-Trigger-Spannung: 100 V
- TVS-Betriebsspannung: 30 V
- DFN-Gehäuse: 2 mm x 1 mm x 0,55 mm
- Bleifreier Leitungsfinish
Benetzbares Flankengehäuse
Schaltplan
Abmessungen – Zeichnung
Videos
Veröffentlichungsdatum: 2025-02-24
| Aktualisiert: 2025-07-16
