Gigavac GX66 600A Contactors
Gigavac GX66 600A Contactors are hermetically sealed and rugged EPIC® seal rated to 175°C. These contactors include highly efficient dual coils and built-in coil suppression for all DC coils. The GX66 contactors also feature 1,000,000 mating cycles, 7ms maximum release time, and 2200VRMS dielectric at sea level (leakage <1mA). These contactors can be mounted in any position for easy installation. The GX66 contactors exceed IP67 and IP69K ratings and comply with RoHS standards. These contactors are used in light rails, buses, emergency vehicles, factory automation, and power management systems for battery charging.Features
- Rugged EPIC® seal rated to 175°C
- Hermetically sealed:
- UL1604 for class I and II, Div 2, and class III for use in hazardous locations
- IP67 for temporary water immersion for 30 minutes
- SAE J1171 - external ignition protection
- ISO8846 for protection against ignition around flammable gasses
- Highly efficient dual DC coils (12VDC, 24VDC, or 48VDC continuous coil power with no EMI emissions or crosstalk on a system control power)
- Built-in coil suppression for all DC coils
- Stainless steel screws and washers
- Can be mounted in any position for ease of installation
Specifications
- 1,000,000 mating cycles
- 7ms maximum release time
- 2200VRMS dielectric at sea level (leakage <1mA)
- 15G vibration and sinusoidal (500Hz to 2000Hz peak)
- Exceed IP67 and IP69K ratings
- MIL-STD-810 salt fog
Applications
- Heavy trucks and equipment
- Buses
- Boats
- Light rails
- Electric and hybrid vehicles
- Emergency vehicles
- Solar, wind, and wave power systems
- Mining, oil, and factory automation
- Power management systems for battery charging, fuel cells, and battery backup
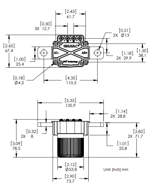
Mechanical Diagram
Veröffentlichungsdatum: 2024-11-21
| Aktualisiert: 2024-12-03
