Sensirion STCC4 Miniatur-CO2-Sensor
Der Miniatur-CO2-Sensor STCC4 von Sensirion ermöglicht die direkte Messung von CO2 in einer ultrakleinen Paketgröße von 4 mm x 3 mm x 1,2 mm (L x B x H). Dieses Gerät ist ideal für Applikationen die bisher durch Größen- und Kostenbeschränkungen eingeschränkt waren, und bietet eine nahtlose Integration in kompakte elektronische Bauteile. Der vollständig werkseitig kalibrierte STCC4 Sensor verfügt über Wärmeleitfähigkeiterkennungs- Technologie, geringe Stromaufnahme und eine I2C Schnittstelle. Durch die Kombination des Moduls mit Temperatur- und Feuchtesensoren von Sensirion werden sowohl eine genaue Signalkompensation als auch die Überwachung relevanter Umgebungsparameter im Innenbereich erreicht. Der Miniatur-CO2-Sensor STCC4 verfügt über ein SMD-Design, das für die Bestückung und Tape-and-Reel-Verpackung optimiert ist. Der STCC4 Sensor eignet sich für eine große Auswahl von Applikationen, darunter Raumluft-Qualitäts- Monitore, Klimaanlagen, Smart Thermostate und vieles mehr.Merkmale
- Ultrakompakter Formfaktor
- Vollständig werkseitig kalibriert
- Entwickelt für eine nahtlose Integration in kompakte elektronische Bauteile
- Geringe Stromaufnahme (<1 mA)
- Digitale2C -Schnittstelle für unkomplizierte Sensorkommunikation
- Kombinieren Sie mit Sensirion Temperatur- und Feuchtesensoren für eine genaue Signalkompensation und Überwachung relevanter Umgebungsparameter in Innenräumen
- SMD-Bestückung und Tape-and-Spule Verpackung ermöglichen Applikationen
Technische Daten
- I2C Schnittstelle
- CO2
- Messung 400 ppm Bereich 5.000 ppm
- ±(100 ppm +10 %) Genauigkeit
- Abmessungen 4 mm x 3 mm x 1,2 mm (L x B x H)
- Versorgungsspannung 2,7 V bis 5,5 V
- Durchschnittlicher Versorgungsstrom 950 µA
- 4,2 mA maximaler Versorgungsstrom
Applikationen
- Monitore für die Luftqualität in Innenräumen
- Intelligente Thermostate
- Klimaanlagen
Videos
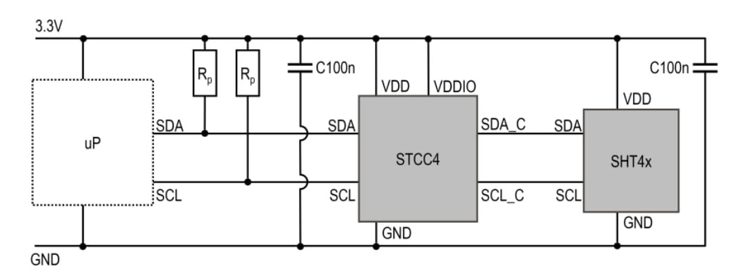
Typische Applikations-Schaltung
Abmessungen
Veröffentlichungsdatum: 2024-04-15
| Aktualisiert: 2026-03-16
