Silicon Labs Si443x EZRadioPRO®-Transceiver
Die Si443x EZRadioPRO®-Transceiver von Silicon Labs bieten eine hohe Integration, niedrige Kosten, Flexibilität, niedrige BOM und ein einfaches Design-In mit hochentwickelten Applikationen und verbesserten Parametern. Diese Transceiver verfügen über eine ununterbrochene Frequenzabdeckung von 240 MHz bis 960 MHz und über eine Ausgangsleistung von bis zu +20 dBm. Die Si443x ISM-Band-ICs umfassen Funktionen, wie z. B. Wake-up-Timer, Batterietiefstanderkennung, Übertragungs- und Empfangs-Daten-FIFOs, Power-on-Reset-Schaltung und Universal-Digital-I/Os. Diese Transceiver-ICs enthalten einen Hochleistungs-ADC und ein digitales Modem, welche die Demodulation, das Filtern und Paket-Handling in der digitalen Domäne durchführen.Die Si4432 Transceiver bieten eine konfigurierbare Ausgangsleistung von 11 dBm bis 20 dBm und eignen sich hervorragend für Frequenzsprungsysteme, bei denen eine maximale Reichweite erforderlich ist. Die Si4430/31 ICs verfügen über eine konfigurierbare Ausgangsleistung zwischen -8 bis 13 dBm. Die Si4431 und Si4432 Transceiver erfüllen die Anforderungen gemäß FCC und ETSI, wenn sie in ISM-Standardbändern verwendet werden. Die 30-MHz-Quarz- und Versorgungs-Bypass-Kondensatoren sind die einzigen erforderlichen externen Komponenten. Dadurch eignen sich die Bauteile hervorragend für die Großserienfertigung in Applikationen, bei denen die Größe und Kosten von Bedeutung sind.
Merkmale
- Frequenzbereich:
- 240 MHz bis 930 MHz (Si4431/32)
- 900 MHz bis 960 MHz (Si4430)
- Empfindlichkeit: -121 dBm
- Maximaler Ausgangsleistungsbereich:
- +20 dBm (Si4432)
- +13 dBm max. (Si4430/31)
- Geringer Stromverbrauch:
- Empfang: 18,5 mA
- Übertragung: 30 mA bei +13 dBm
- Übertragung: 85 mA bei +20 dBm
- Datenrate: 0,123 kBit/s bis 256 kBit/s
- FSK-, GFSK- und OOK-Modulation
- Stromversorgung: 1,8 V bis 3,6 V
- Shutdown-Modus mit sehr geringem Strom Verbrauch, Mikrocontroller
- Digitale RSSI
- Wake-up-Timer
- Automatische Frequenzkalibrierung (AFC)
- Power-On-Reset (POR)
- Antennendiversität und TR-Schaltersteuerung
- Konfigurierbarer Pakethandler
- Präambel-Detektor
- TX- und RX-64-Byte-FIFO
- Batterietiefstanddetektor
- Temperatursensor und 8-Bit-ADC
- Temperaturbereich: -40 °C bis +85 °C
- Integrierter Spannungsregler
- Frequenzsprungfähigkeit
- On-Chip-Quarz-Abstimmung
- 20-Pin-QFN-Gehäuse
- Niedrige BOM
Applikationen
- Fernbedienung
- Haussicherheit und -alarm
- Telemetrie
- Personenbezogene Datenprotokollierung
- Spielzeug-Steuerung
- Reifendrucküberwachung
- Drahtlose PC-Peripherie
- Zählerfernablesung
- Schlüssellose fernbediente Zugangssysteme
- Heimautomatisierung
- Industriesteuerung
- Sensornetzwerke
- Gesundheitsmonitore
- Tag-Lesegeräte
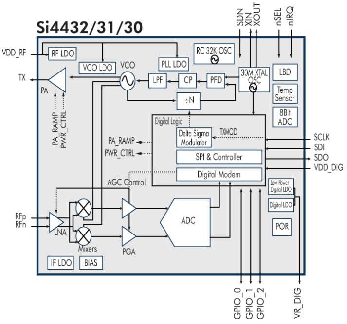
Blockdiagramm
Weitere Ressourcen
Veröffentlichungsdatum: 2019-05-31
| Aktualisiert: 2024-01-04
