Skyworks Solutions Inc. Si858x Integrated Isolated RS-485 Transceivers
Skyworks Solutions Inc. Si858x Integrated Isolated RS-485 Transceivers combine robust, fully compliant RS-485 transceivers with signal isolation. These devices are ideal for industrial automation applications that require isolated interfaces for FieldBus systems that form a communication network for connecting sensors, actuators, and controllers.The Si858x RS-485 Transceivers devices are optimized for isolating nodes on FieldBuses based on the RS-485 standard, such as ProfiBus or ModBus. These transmission lines can be susceptible to electrical noise transients, especially in harsh environments such as a factory floor or in sensitive environments such as process control or data acquisition. Isolation protects from such transients and noise that could corrupt signal integrity.
The Si858x Transceivers can operate with a 3.3V or 5.0V nominal power supply and have robust bus fault tolerance of up to ±30V for protecting against harmful transients in the noisy environment where such systems are often utilized. The bus pins are also protected up to 15kV HBM ESD. Product options are available for half duplex and full duplex mode in industry standard footprints. These devices incorporate slew rate-controlled drivers with 1Mbps data rate capability for reducing the EMI profile or options for high data rates up to 10Mbps with no slew rate control implemented. These products also offer safety and protection features such as receiver fail-safe and thermal protection.
The Si858x Transceivers utilize a proprietary silicon isolation technology, supporting up to 5kVRMS (1 minute) isolation voltage per UL 1577. This technology enables high CMTI (>60kV/µs), low propagation delays and skew, reduced variation with temperature and age, and tight part-to-part matching.
The Skyworks Solutions Inc. Si858x Isolated RS-485 Transceivers are offered in a SOIC-16 WB (Wide Body) package with a -40°C to +125°C operating temperature range.
Features
- Compliance to TIA/EIA-485-A (RS-485), EN 50170 (ProfiBus)
- Industry-standard footprint and logic operation
- Signaling rates of up to 10Mbps
- HBM 15kV bus pin ESD ratings
- -7V to +12V common mode voltage supported for operation
- ±30V Bus fault protection
- Thermal shutdown protection
- 3.0V to 5.5V VDD1
- 3.3V or 5.0V VDD2
- 50ns typical driver propagation delay
- CMTI of 100kV/µs (minimum)
- Supports unit loading up to 256 transceivers on a bus at 5.0V, 128 at 3.3V
- –40°C to +125°C operating temperature range
- JEDEC-qualified
- UL 1577 recognized
- Up to 5000VRMS for 1 minute
- CSA certification conformity
- IEC 62368-1 (reinforced insulation)
- CQC certified
- SOIC-16 WB package
- RoHS compliant
Applications
- Industrial automation systems
- Isolated switch mode supplies
- Inverters
- Data acquisition
- Motor control
- PLCs, distributed control systems
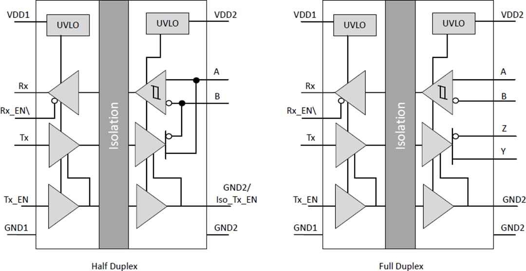
Block Diagram
CHannel Diagam
