STMicroelectronics Balun-Transformatoren

Die Balun-Transformatoren von STMicroelectronics verwenden den ST-Prozess, indem sie hochwertige passiven HF-Komponenten auf einem einzigen Glassubstrat integrieren. Für vollen Funktionsumfang können sie neben symmetrischer/unsymmetrischer Umwandlung auch ein passendes Netzwerk in einem weniger als 1 mm2 großen Footprint integrieren.

Merkmale

  • 50Ω nominal input/conjugate match to Spirit1
  • Low insertion loss
  • Low amplitude imbalance
  • Low phase imbalance
  • Small footprint
  • Very low profile (<670μm)
  • High RF performance
  • RF BOM and area reduction

Applikationen

  • BALF-SPI-01D3:
    • 868MHz and 915MHz impedance matched balun filter
    • Optimized for SPIRIT1 sub GHz RFIC
  • BALF-SPI-02D3:
    • 434MHz impedance matched balun filter
    • Optimized for ST chipset SPIRIT1

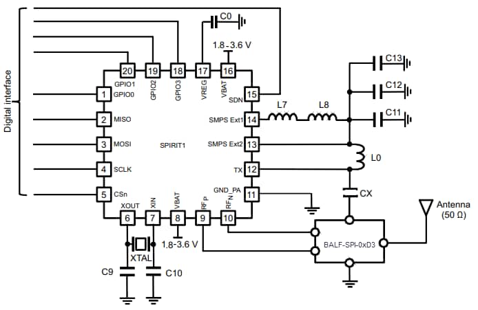
BALF-SPI-0xD3 Application Circuit

Applikations-Schaltungsdiagramm - STMicroelectronics Balun-Transformatoren
Veröffentlichungsdatum: 2014-02-19 | Aktualisiert: 2022-03-11