STMicroelectronics L99H02 H-Brücken-Gate-Treiber
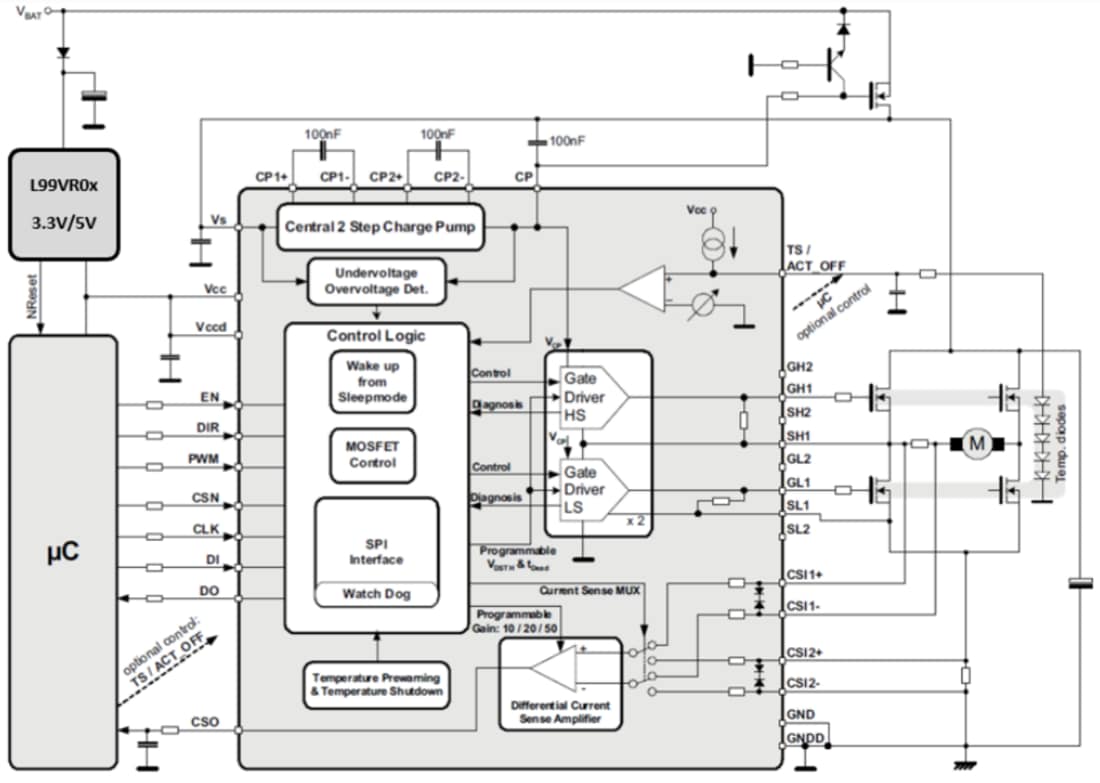
Der STMicroelectronics L99H02 H-Brücken-Gate-Treiber ist zur Ansteuerung von vier externen n-Kanal-MOS-Transistoren in einer H-Brücken-Konfiguration für den DC-Motorantrieb in Fahrzeuganwendungen ausgelegt. Im L99H02 von STMicroelectronics ist ein frei konfigurierbarer Strommessungsverstärker integriert. Die integrierte standardmäßige serielle Peripherieschnittstelle (SPI) steuert das Bauelement und liefert Diagnoseinformationen. Ein Schnittstellen-Pin für die thermischen Sensoren der externen MOSFETs ist implementiert.Merkmale
- AEC-Q100-qualifiziert
- Betriebsversorgungsspannung: 6 V bis 28 V
- Zentrale 2-stufige Ladepumpe
- 100 % Tastverhältnis
- Vollständiger RDSon bis hinunter zu 6 V (MOSFETs mit Standard-Schwellenwert)
- Ladepumpenausgang für die Ansteuerung eines externen NMOSFET-Batterieverpolschutzes
- Ladungspumpen-Strombegrenzung
- PWM-Betrieb bis zu 30 kHz
- SPI-Schnittstelle
- Strommessverstärker/frei konfigurierbar
- Nulleinstellung für Trimmen am Leitungsende
- Leistungsmanagement: programmierbarer Freilauf
- Eine Sensorschaltung von externen MOSFETs mit Embedded-Wärmesensoren
Applikationen
- Scheibenwischer
- Power Door
- Gurtstraffer
- Sitzpositionierung
- Valve-Tronic
- Parkbremse
- 2H Motoren
Blockdiagramm
Veröffentlichungsdatum: 2021-10-29
| Aktualisiert: 2023-01-06
