STMicroelectronics L99MM70XP Mikrocontroller
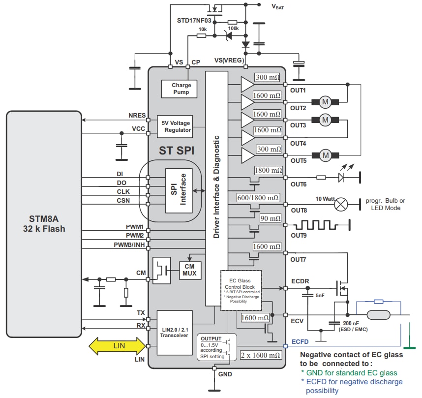
Der Mikrocontroller L99MM70XP von STMicroelectronics ist ein anwendungsspezifisches Normteil für angetriebene multifunktionale Systeme (ASSP) für LIN-gesteuerte Außenspiegelapplikationen. Der L99MM70XP verfügt über einen Spannungsregler zur Versorgung des Mikrocontrollers und des LIN 2.1 physical Layer Bis zu 3DC-Motoren und fünf geerdete ohmsche Lasten können unabhängig voneinander mit vier (fünf) Halbbrücken und fünf High-Side-Treibern angesteuert werden.Merkmale
- 5V-Low-Drop-Spannungsregler (150 mA max.)
- Eingebettete LIN-Transceiver: 2.0/2.1-und SAEJ2602-konform
- Unabhängige Steuerung von Spiegeleinstellmotoren
- Eine Vollbrücke für 3A-Last (RON = 300 mΩ)
- Zwei (drei) Halbbrücken für 0,5A-Last (RON = 1,6 Ω)
- Ein konfigurierbarer High-Side-Treiber für bis zu 1,5A-Last (RON = 500mΩ/10 Watt Leuchtsteuerung oder 1600 mΩ / LED-Steuerung)
- Zwei High-Side-Treiber für 0,5A-Last (RON = 1600 mΩ)
- Ein Low-Side-Treiber 0,5A-Last (RON = 1600 mΩ) wird als Halbbrücke mit High-Side-Treiber für unabhängige Spiegelachsensteuerung verwendet
- Ein High-Side-Treiber für 6A-Last (RON = 90 mΩ)
- Ein High-Side-Treiber für 0,5A-Last (RON = 1600 mΩ) zur Versorgung eines externen MOSFETs zum Antrieb eines EC-Glases
- Integrierte EC-Glassteuerung über einen externen MOSFET mit schnellem Entladungsweg: EG-Glas kann auf GND oder auf -1V entladen werden
- Programmierbare Soft-Start-Funktion zur Förderung von Lasten mit höherem Einschaltstrom (>6 A, >1,5 A)
- Sehr niedrige Stromverbrauchsmodi
- Alle Ausgänge verfügen über einen Kurzschluss- und Übertemperaturschutz
- Zwei thermische Abschaltschwellwerte und frühe Temperaturwarnung
- Ausgangsstromwächter für alle High-Side-Treiber
- Open-Load-Diagnose für alle Ausgänge
- Überlast-Diagnose für alle Ausgänge
- 3 PWM-Steuersignale für alle Ausgänge
- Ladungspumpen-Ausgang für aktiven Verpolungsschutz durch einen externen n-Kanal-MOSFET
- STM serielle Standard-Peripherieschnittstelle für Steuerung und Diagnose
- INH-Eingang für externen CAN-Transceiver
Blockdiagramm
Veröffentlichungsdatum: 2018-05-31
| Aktualisiert: 2023-02-08
