STMicroelectronics LDK120P DFN-6L Low-Drop-Spannungsregler

STMicroelectronics LDK130P DFN-6L Low-Drop-Spannungsregler bieten einen Maximalstrom von 200mA bei einer Eingangsversorgungsspannung zwischen 1,9 und 5,5V und einer typischen Dropout-Spannung von 100mV. Er wird am Ausgang mit einem Keramik-Kondensator stabilisiert. Die sehr niedrige Drop-Spannung, der niedrige Ruhestrom und die geräuscharmen Funktionen eignen den Regler für batteriebetriebene Energiespar-Anwendungen. Eine Freigabe-Logik-Steuerfunktion versetzt den LDK120P in den Abschaltmodus und ermöglicht so einen Gesamt-Stromverbrauch von weniger als 1μA. Das Gerät umfasst auch eine kurzschlusskonstante Strombegrenzung und einen thermischen Schutz.

Merkmale

  • Input voltage from 1.9V to 5.5V
  • Very low dropout voltage (100mV typ. at 100mA load)
  • Low quiescent current (max. 100μA, 1μA in OFF mode)
  • Very low noise
  • Output voltage tolerance: ± 2.0% @ 25°C
  • Wide range of fixed output voltages available on request: from 0.8V to 3.5V with 100mV step
  • 200mA guaranteed output current
  • Adjustable version: from 0.8V to VIN to Vdrop
  • Logic-controlled electronic shutdown
  • Compatible with ceramic capacitor COUT = 1μF
  • Internal current and thermal limit
  • Temperature range: -40°C to +125°C

Applikationen

  • Smartphones
  • Tablets
  • Cordless phones and similar battery-powered systems
  • Digital still cameras

Block Diagram

Blockdiagramm - STMicroelectronics LDK120P DFN-6L Low-Drop-Spannungsregler

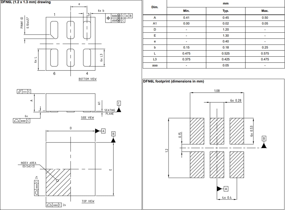
Package Outline

Technische Zeichnung - STMicroelectronics LDK120P DFN-6L Low-Drop-Spannungsregler
Veröffentlichungsdatum: 2014-04-18 | Aktualisiert: 2022-03-11