STMicroelectronics PWD13F60 Gate-Treiber
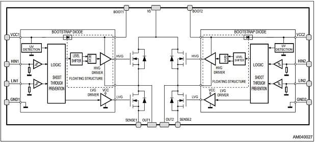
STMicroelectronics PWD13F60 Gate-Treiber sind Leistungstreiber mit hoher Dichte und einer Hochspannungs-Vollbrücke mit integrierten Gate-Treibern. Der PWD13F60 Baustein akzeptiert eine Versorgungsspannung über einen weiten Bereich und wird durch eine Niederspannungs-UVLO-Erkennung geschützt. Dieses PWD13F60 Gate-Treiber-Leistungs-System-in-Package und die Hochspannungs-Leistungs-MOSFETs verfügen über einen niedrigen RDS von 320 mΩ und eine Drain-Source Durchbruchspannung von 600 V. Die PWD13F60 Gate-Treiber ermöglichen eine einfache Anbindung an Mikrocontroller und DSP-Einheiten oder Hall-Effekt-Sensoren mit einem größeren Umfang an Eingangs-Pins. Darüber hinaus verfügen die PWD13F60 Gate-Treiber über eine hohe Treiber-Versorgungsspannung, eine interne Bootstrap-Diode, einen mit dem Eingang gleichphasigen Ausgang und bieten ein flexibles, leichtes und schnelles Design. Das PWD13F60 Bauteil ist in einem 10 mm x 13 mm x 1,0 mm VFQFPN-Gehäuse verfügbar. Zu den typischen Applikationen gehören Fabrikautomatisierung, Motortreiber für Industrie- und Haushaltsgeräte, Lüfter und Pumpen und Netzteile.Merkmale
- Leistungsstarkes System-in-Package integriert Gate-Treiber und Hochspannungs-Leistungs-MOSFETs
- Niedriger RDS(on) = 320 mΩ
- BVDSS = 600 V
- Geeignet für den Betrieb als
- Vollbrücke
- Zwei unabhängige Halbbrücken
- Hohe Treiberversorgungsspannung bis hinunter auf 6,5 V
- UVLO-Schutz auf der Versorgungsspannung
- 3,3 V bis 15 V kompatible Eingänge mit Hysterese und Pull-Down
- Verriegelungsfunktion zur Verhinderung von Querstrom
- Integrierte Bootstrap-Diode
- Ausgänge gleichphasig mit Eingängen
- Sehr kompaktes und vereinfachtes Layout
- Flexibles, leichtes und schnelles Design
Applikationen
- Motortreiber für Industrie- und Haushaltsgeräte
- Fabrikautomatisierung
- Lüfter und Pumpen
- HID und Vorschaltgeräte
- Netzgeräte
- DC/DC- und DC/AC-Wandler
PWD13F60 Blockdiagramm
EVALPWD13F60 Evaluationsboard
Veröffentlichungsdatum: 2018-04-02
| Aktualisiert: 2023-02-01
