STMicroelectronics STEVAL-MIC003V1 Tochterboard

Das STMicroelectronics STEVAL-MIC003V1 Tochterboard ist so konzipiert, dass es mit dem X-NUCLEO-CCA02M1 Erweiterungsboard verwendet werden kann. Dieses Tochterboard verfügt über 4 x IMP34DT05 MEMS-Mikrofon mit Anschluss auf der Oberseite und einen Einzel-Bit-PDM-Ausgang. Das STEVAL-MIC003V1 Tochterboard enthält eine omnidirektionale Empfindlichkeit und einen akustischen Überlastpunkt von 122,5 dBSPL. Dieses Tochterboard arbeitet bei einem Versorgungsspannungsbereich von 1,6 V bis 3,2 V.

Merkmale

  • Einzel-Bit-PDM-Ausgang
  • RoHS-konform
  • Tochterboard für die Verwendung mit X-NUCLEO-CCA02M1
  • Omnidirektionale Empfindlichkeit
  • 4 x IMP34DT05 digitales MEMS-Mikrofon mit Anschluss auf der Oberseite

Technische Daten

  • Versorgungsspannungsbereich: 1,6 V bis 3,6 V
  • 64 dB von SRV
  • Akustischer Überlastpunkt: 122,5 dBSPL
  • Empfindlichkeit: -26 dBFS, ±3 dB

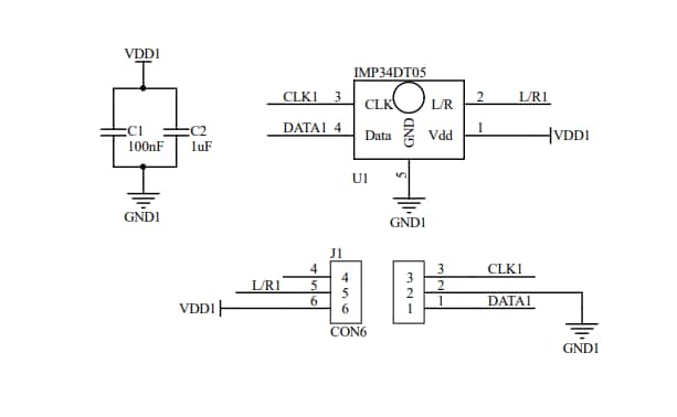
Schaltplan

Schaltplan - STMicroelectronics STEVAL-MIC003V1 Tochterboard
Veröffentlichungsdatum: 2020-08-26 | Aktualisiert: 2025-01-13