STMicroelectronics STEVAL-MKI195V1 Adapterboard
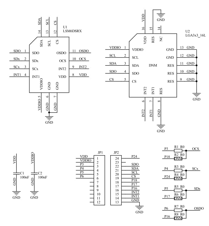
Das STMicroelectronics STEVAL-MKI195V1 Adapterboard ist ein Adapterboard, das zur Unterstützung der Evaluierung der MEMS-Bauteile im LSM6DSRX System-in-Package ausgelegt ist. Dieses Adapterboard bietet eine effektive Lösung für ein schnelles System-Prototyping und eine schnelle Evaluierung der Bauteile. Das STEVAL-MKI195V1 Adapterboard ist gebrauchsfertig mit der vollständigen LSM6DSRX-Pinbelegung und den erforderlichen Entkopplungskondensatoren auf der VDD-Stromversorgungsleitung. Dieses Adapterboard wird vom STEVAL-MKI109V3 Motherboard unterstützt, das einen leistungsstarken 32-Bit-Mikrocontroller hat.Merkmale
- Vollständige LSM6DSRX-Pinbelegung für einen DIL-24-Standardsockel
- Erleichtert die Evaluierung der MEMS-Bauteile
- Vollständig kompatibel mit dem STEVAL-MKI109V3 Motherboard
- Ermöglicht das Ändern der Widerstandseinstellungen
- WEEE- und RoHS-konform
Schaltplan-Diagramm
Veröffentlichungsdatum: 2019-10-22
| Aktualisiert: 2024-02-20
