STMicroelectronics STEVAL-MKI204V1K Temperatursonden-Kit
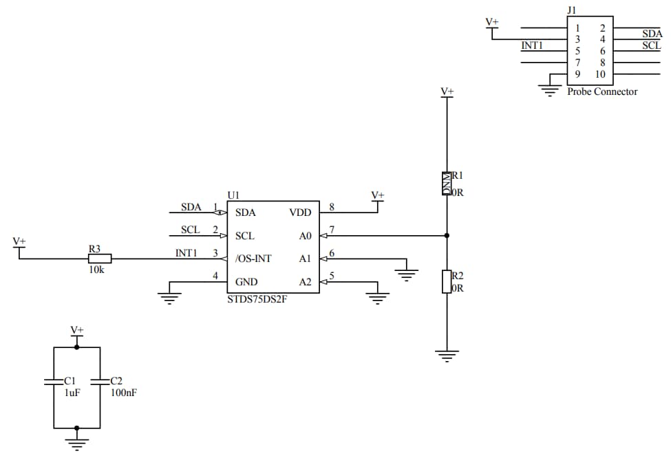
Das STMicroelectronics STEVAL-MKI204V1K Temperatursonden-Kit enthält eine Sonde mit einem STLM75 Temperatursensor, die über ein Flachkabel mit dem STEVAL-MKIGIBV1 Adapterboard verbunden ist. Das Kit kann mit dem STEVAL-MKI109V3 Motherboard verbunden werden. Das Bauteil kann aufgrund seiner kleinen Gehäuseabmessungen auf eine sehr dünne Sonde montiert werden. Dies ermöglicht dem Bauteil die Aufzeichnung von Temperaturwerten, die nicht durch die Wärme von anderen elektronischen Komponenten oder Boards beeinflusst werden. Das STEVAL-MKIGIBV1 kann in einen Standard-DIL24-Sockel eingesteckt werden.Merkmale
- Benutzerfreundliches STLM75-Board
- Vollständige STLM75-Pinbelegung für einen DIL24-Standardsockel
- Vollständig kompatibel mit den STEVAL-MKI109V3 Motherboards
- RoHS-konform
- WEEE-konform
Schaltplan
Veröffentlichungsdatum: 2019-04-09
| Aktualisiert: 2024-02-16
