STMicroelectronics STEVAL-MKI215V1 Adapterboard
Das STMicroelectronics STEVAL-MKI215V1 Adapterboard ist für eine einfache Evaluierung von MEMS-Bauteilen der LSM6DS032-Produktfamilie ausgelegt. Dieses Adapterboard bietet eine effektive Lösung für eine schnelles System-Prototyping und eine Bauteilevaluierung direkt innerhalb der eigenen Applikation des Benutzers. Das STEVAL-MKI215V1 Adapterboard bietet die vollständige LSM6DS032-Pinbelegung und wird bereits gebrauchsfertig mit dem erforderlichen Entkopplungskondensator auf der VDD-Spannungsversorgungsleitung geliefert. Dieses Adapterboard unterstützt die STEVAL-MKI1093V3 Motherboards mit einem leistungsstarken 32-Bit-Mikrocontroller, der als Brücke zwischen dem Sensor und einem PC fungiert. Das Motherboard wird zum Herunterladen einer grafischen Benutzeroberfläche oder von dedizierten Software-Routinen für benutzerangepasste Applikationen verwendet.Das STEVAL-MKI215V1 Adapterboard kann in ein X-NUCLEO-IKS01A2 Standardboard, X-NUCLEO-IKS01A1 Board und X-NUCLEO-IKS01A3 Board eingesteckt werden. Dieses Adapterboard wird in einem Temperaturbereich von -40 °C bis +85 °C betrieben. Zu den typischen Applikationen gehören Wearables, Smart-Uhren, Sportausrüstungen, Bewegungsverfolgung, Gestenlokalisierung, Hartfall-Erkennung, IoT- und vernetzte Geräte, Sensor-Hub, Navigation und Smart-Stromeinsparung für Handheld-Geräte.
Merkmale
- Kompatibel mit den STEVAL-MKI109V3 Motherboards
- Vollständige LSM6DS032-Pinbelegung für einen DIL24-Standardsockel
- Betriebstemperaturbereich: -40 °C bis +85 °C
- RoHS-konform
Applikationen
- Wearables, Smart-Uhren und Sportausrüstungen
- Bewegungsverfolgung und Gestenlokalisierung
- Hartfall-Erkennung
- Sensorhub
- Navigation
- Smart-Stromeinsparung für Handheld-Geräte
- IoT- und vernetzte Geräte
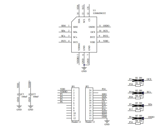
Adapterboard – Schaltplan
Veröffentlichungsdatum: 2020-09-01
| Aktualisiert: 2024-12-30
