STMicroelectronics STPA001 MOSFET-Vierfachbrücken-Leistungsverstärker
Die MOSFET-Vierfachbrücken-Leistungsverstärker STPA001 von STMicroelectronics verfügen über eine bahnbrechende MOSFET-Technologie und wurden für Hochleistungs-Autoradio-Applikationen konzipiert. Die STPA001 verfügen über eine vollständig komplementäre p-Kanal-/n-Kanal-Ausgangsstruktur. Diese Struktur ermöglicht eine Rail-to-Rail-Ausgangsspannungsschwankung, die in Kombination mit hohem Ausgangsstrom und minimierten Sättigungsverlusten neue Leistungsmaßstäbe im Bereich des Autoradios setzt. Die Verstärker haben eine unvergleichliche Verzerrungsleistung und können mit bis zu 6 V betrieben werden. Dies macht den IC konform mit den meisten aktuellen OEM-Spezifikationen für den Niederspannungsbetrieb.The amplifiers have unparalleled distortion performances and can operate down to 6V. This makes the IC compliant to the most recent OEM specifications for low voltage operation.
Merkmale
- Multipower BCD technology
- High output power capability:
- 4 x 50W/4Ω Max.
- 4 x 28W/4Ω @ 14.4V, 1kHz, 10%
- 4 x 72W/2Ω Max.
- MOSFET output power stage
- 2Ω driving capability
- Hi-Fi class distortion
- Low output noise
- High immunity to RF noise injection
- Standby function
- Mute function
- Automute at min. supply voltage detection
- Low external component count
- Internally fixed gain (26dB)
- Protections:
- Output short circuit to GND, to Vs, across the load
- Very inductive loads
- Overrating chip temperature with soft thermal limiter
- Output DC offset detection
- Load dump
- Fortuitous open GND
- Reversed battery
- ESD
- Capable to operate down to 6V (e.g. “Startstop”)
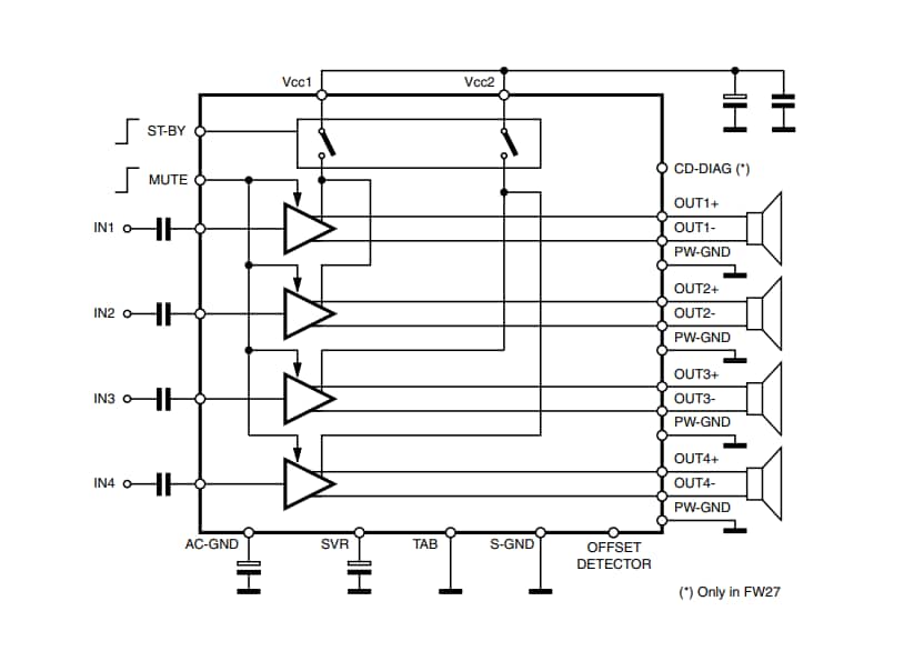
Block Diagram
Veröffentlichungsdatum: 2017-08-14
| Aktualisiert: 2025-10-13
