STMicroelectronics STSPIN32G025x 250-V-Dreiphasen-BLDC-Controller

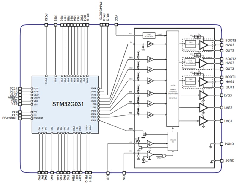
STMicroelectronics STSPIN32G025x 250-V- Dreiphasen-BLDC-Controller sind eine integrierte Lösung für die Ansteuerung von Dreiphasen-Applikationen. Der STSPIN32G025x von STMicroelectronics verfügt über einen STM32G031x8x3 Embedded-MCU und einen 250-V-Dreiphasen-Halbbrücken-Gate-Treiber. Die Controller unterstützen n-Kanal-Leistungs-MOSFETs oder IGBTs. Das Bauteil enthält einen smartSD-Komparator für einen schnellen und wirksamen Überlast- und Überstromschutz. Integrierte Funktionen umfassen Hochspannungs-Bootstrap-Dioden, Querleitungsschutz, Totzeit, UVLO-Schutz auf beiden Antriebsbereichen und angepasste Verzögerungen für verzerrungsfreie Zyklen.

Merkmale

  • Dreiphasen-Gate-Treiber
    • Hochspannungsschiene von bis zu 250 V
    • dV/dt-Transientenimmunität: ±50 V/ns
    • Die Gate-Ansteuerspannung reicht von 9 V bis 20 V
  • Treiberstrombelastbarkeit
    • Quellen-/Senkenstrom von 200/350 mA bei +25 °C (STSPIN32G0251)
    • Quellen-/Senkenstrom von 1,00/0,85 A bei +25 °C (STSPIN32G0252)
  • ARM® Cortex®-M0+-32-Bit-MCU-Core
    • Taktfrequenz von bis zu 64 MHz
    • 8-KByte-SRAM mit Hardware-Paritätsprüfung
    • 64-KByte-Flash-Speicher mit Schutz- und Sicherungsbereich
    • CRC-Berechnungseinheit
  • Bis zu 32 x Universal-I/O-Anschlüsse (GPIO)
  • 1 x Erweiterter Timer für die Motorsteuerung, 16-Bit mit bis zu 6 x PWM-Kanälen
  • 5 x Universal-Timer (1x 32-Bit)
  • 2 x Stromsparende Timer
  • 12-Bit-ADC-Wandler (bis zu 15 Kanäle) mit einer Umwandlungsrate von 2 MS/s
  • 5-Kanal-DMA-Controller mit flexibler Zuordnung
  • Interne Spannungsreferenz mit hoher Genauigkeit
  • Vollständiger Satz an Schnittstellen: 2 x I2C, 2 x SPI, 3 x UART und 1 x stromsparender UART
  • Angepasste Signallaufzeit für alle Kanäle
  • Integrierte Bootstrap-Dioden
  • Komparator für schnellen Überstromschutz
  • UVLO-, Verriegelungs- und Totzeit-Funktionen
  • Smart-Abschaltfunktion (smartSD)
  • Standby-Modus für geringen Stromverbrauch
  • On-Chip-Debug-Unterstützung über SWD
  • -40 °C bis +125 °C erweiterter Temperaturbereich
  • QFN-72L-Gehäuse von 10 mm x 10 mm, Rastermaß von 0,5 mm, Kriechstrecke von 1,8 mm

Applikationen

  • Dreiphasen-Motortreiber
  • Umrichter
  • Industrielle Haushaltsgeräte und Lüfter

Blockdiagramm

Blockdiagramm - STMicroelectronics STSPIN32G025x 250-V-Dreiphasen-BLDC-Controller
Veröffentlichungsdatum: 2024-02-28 | Aktualisiert: 2024-03-15