STMicroelectronics STSPIN32G060x 600 V Dreiphasen-BLDC-Controller
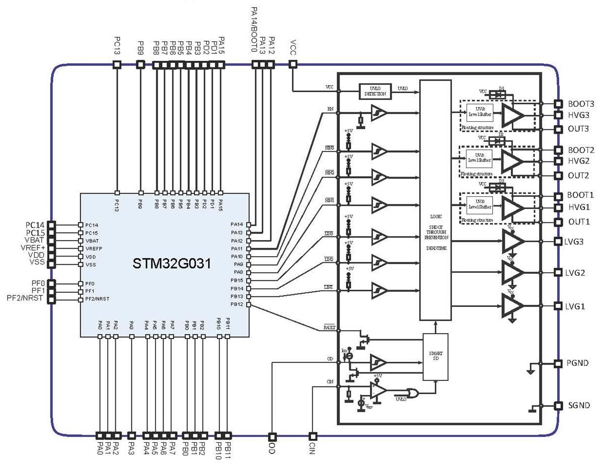
Die STSPIN32G060x 3-Phasen-BLDC-Controller mit 600 V von STMicroelectronics sind All-in-One-Gehäuse für den Antrieb von 3-Phasen-Applikationen. Das STMicro STSPIN32G060x enthält einen STM32G031x8x3 MCU mit einer Arm® Cortex®-M0 + 32-Bit-CPU. Darüber hinaus enthält das Bauteil einen dreifachen 600-V- Halbbrücken-Gate-Treiber und einen smartSD-Komparator für einen schnellen Überlast- und Überstromschutz. Die Controller beinhalten Hochspannungs-Bootstrap-Dioden und Anti-Querleitungs-, Totzeit- sowie UVLO-Schutz für einen effizienten und sicheren Betrieb. Der MCU wird mit bis zu 64 MHz betrieben und verbessert die Sicherheit mit einer Speicherschutzeinheit (MPU).Merkmale
- 3-Phasen-Gate-Treiber
- Hochspannungsschiene bis zu 600 V
- dV/dt-Transientenimmunität: ±50 V/ns
- Die Gate-Ansteuerspannung reicht von 9 V bis 20 V
- Treiberstromfähigkeit
- 200/350 mA Quell-/Senkstrom bei 25 °C (STSPIN32G0601)
- 1,00/0,85 A Quell-/Senkstrom bei 25 °C (STSPIN32G0602)
- 32-Bit-Arm-Cortex-M0+-MCU-Core
- Bis zu 64 MHz Taktfrequenz
- 8 Kbyte SRAM mit Hardware-Paritätsprüfung
- 64 Kbyte Flash-Speicher mit Schutz und sicherer Fläche
- CRC-Berechnungseinheit
- Bis zu 32 Universal-I/O-Anschlüsse (GPIO)
- Ein erweiterter Timer für die Motorsteuerung, 16-Bit mit bis zu 6 PWM-Kanälen
- Fünf Universal-Timer (1x 32-Bit)
- Zwei stromsparende Timer
- 12-Bit-ADC-Wandler (bis zu 15 Kanäle) mit einer Umwandlungsrate von 2 MSPS
- 5-Kanal-DMA-Controller mit flexibler Zuordnung
- Interne Spannungsreferenz mit hoher Genauigkeit
- 2 x I2C, 2 x SPI, 3 x UART und 1 x stromsparender, vollständiger UART-Schnittstellensatz
- Angepasste Signallaufzeit für alle Kanäle
- Integrierte Bootstrap-Dioden
- Komparator für schnellen Überstromschutz
- UVLO-, Verriegelungs- und Totzeit-Funktionen
- Smart-Abschaltfunktion (smartSD)
- Standby-Modus für geringen Stromverbrauch
- On-Chip-Debug-Unterstützung über SWD
- -40 °C bis +125 °C erweiterter Temperaturbereich
- QFN 10 x 10 72 L Rastermaß 0,5 Kriechstrecke 1,8 mm Gehäuse
Applikationen
- Dreiphasen-Motortreiber
- Umrichter
- Industrielle Haushaltsgeräte und Lüfter
Videos
Blockdiagramm
Datenblätter
Veröffentlichungsdatum: 2024-01-24
| Aktualisiert: 2025-08-12
