STMicroelectronics VN7007ALHTR High-Side-Treiber
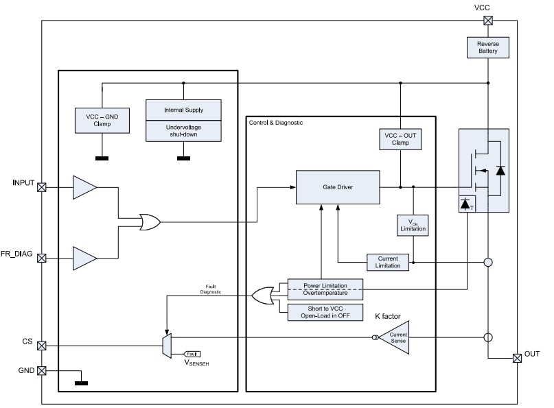
Der VN7007ALHTR High-Side-Treiber von STMicroelectronics ist ein Einkanal-Treiber mit analogem CurrentSense-Feedback. Dieser VN7007ALHTR High-Side-Treiber ist für den Antrieb von 12V-geerdeten Automotive-Lasten durch eine CMOS-kompatible Schnittstelle mit 3 V und 5 V ausgelegt. Der VN7007ALHTR High-Side-Treiber bietet Diagnosefunktionen wie Anzeige von Überlast, Kurzschluss-zu-Masse und thermische Abschaltung sowie OFF-State-Erkennung von offener Last und Sensor-Aktivierung/-Deaktivierung. Dieser VN7007ALHTR-Treiber integriert erweiterte Schutzfunktionen wie Laststrom-Begrenzung, aktives Überlast-Management durch Leistungsbegrenzung und Übertemperatur-Abschaltung. Der VN7007ALHTR High-Side-Treiber wurde mit der proprietären VIPower®-Technologie von ST hergestellt und ist im Octapak-Gehäuse untergebracht. Zu den typischen Applikationen gehören Automotive-Smart-Stromverteilung, ohmsche und induktive Hochleistungs-Aktoren, Glühkerzen, Heizungsanlagen, DC-Motoren und Relais-Austausch.Merkmale
- Universal:
- Smart-Einkanal-High-Side-Treiber
- Analoge CurrentSense-Rückkopplung
- Kompatibel mit 3 V und 5 V CMOS-Ausgängen
- Diagnosefunktionen:
- Anzeige für Überlast und Kurzschluss zur Masse
- Thermische Abschaltungsanzeige
- Open-Load-Erkennung im OFF-Zustand
- Ausgangskurzschluss zu VCC-Erkennung
- Messaktivierung/-Deaktivierung
- Schutzfunktionen:
- Unterspannungsabschaltung
- Überspannungsklemme
- Laststrombegrenzung
- Selbstbegrenzung schneller thermischer Transienten
- Erdungsverlust und VCC-Verlust
- Konfigurierbares Latch-off bei Übertemperatur oder Leistungsbegrenzung
- Batterie-Verpolungsschutz
- Schutz gegen elektrostatische Entladungen
Applikationen
- Automotive-Smart-Stromverteilung
- Glühkerzen
- Heizungsanlagen
- DC-Motoren
- Ersatz für Relais
- Ohmsche und induktive Hochleistungs-Betätiger
Technische Daten
- Transientenversorgungsspannung von max. 40 V (VCC)
- Betriebsspannungsbereich von 4 V bis 28 V
- 7 mΩ (typisch) Einschaltwiderstand (pro Kanal) (RON)
- 100 A (typisch) Strombegrenzung (ILIMH)
- 0,5 µA (max.) Standby-Strom (ISTBY)
- Sperrschichttemperatur bei Betrieb: –40 °C bis 150 °C
VN7007ALHTR Blockdiagramm
Veröffentlichungsdatum: 2018-08-02
| Aktualisiert: 2023-02-13
