STMicroelectronics STEVAL-A6983NV1 Evaluierungsboard

Das STMicroelectronics STEVAL-A6983NV1 Evaluierungsboard basiert auf dem benutzerfreundlichen A6983 synchronen monolithischen Abwärtsregler. Der A6983 Regler kann bis zu 3 A DC zur Last liefern. Das Bauteil bietet einen großen Eingangsspannungsbereich, der sich hervorragend für eine große Auswahl von Applikationen eignet.

Das STEVAL-A6983NV1 von STMicroelectronics nutzt eine Spitzenstrommodus-Architektur und ist in einem QFN16-Gehäuse (3 mm x 3 mm) mit interner Kompensation untergebracht. Dieses Gehäuse ermöglicht eine Reduzierung der Design-Komplexität und Größe. Das STEVAL-A6983NV1 ist für Applikationen ausgelegt, die während des Parkens aktiv sind, wodurch der Wirkungsgrad bei geringer Last mit der gesteuerten Ausgangsspannungswelligkeit maximiert wird.

Das STEVAL-A6983NV1 ermöglicht die Auswahl der Schaltfrequenz im Bereich von 200 kHz bis 2,3 MHz mit einer optionalen Frequenzspreizung für eine verbesserte EMV. Der EN-Pin ermöglicht den Aktivierungs-/Deaktivierungsfunktionsumfang. Der typische Abschaltstrom beträgt 2 μA, wenn deaktiviert. Sobald der EN-Pin hochgezogen wird, ist der STEVAL-A6983NV1 aktiviert und der interne Sanftanlauf von 1,3 ms findet statt. Das STEVAL-A6983NV1 verfügt über einen offenen Power-Good-Kollektor, der die FB-Spannung überwacht. Eine Impuls-für-Impuls-Strommessung auf beiden Leistungselementen implementiert einen angemessenen Konstantstromschutz und eine thermische Abschaltung verhindert ein thermisches Durchlaufen.

Merkmale

  • Qualifiziert gemäß AEC-Q100 Klasse 1
  • Betriebstemperaturbereich von -40 °C bis +150 °C für T j
  • Betriebseingangsspannung: 3,5 V bis 38 V
  • Ausgangsspannung: 0,85 V bis VIN
  • Versionen mit fester Ausgangsspannung: 3,3 V und 5 V
  • 3 A DC-Ausgangsstrom
  • Internes Kompensationsnetzwerk
  • Rauscharme Applikationen
  • Abschaltstrom: 2 μA
  • Interner Sanftanlauf
  • Hochspannungs-VIN -kompatible Freigabe
  • Ausgangsüberspannungsschutz
  • Sequenzierung der Ausgangsspannung
  • Thermischer Schutz
  • Programmierbare Schaltfrequenz: 0,2 MHz bis 2,2 MHz
  • Stabil mit niedrigem ESR-Kondensator von min. 22 µF
  • Optionale Frequenzspreizung für verbesserte EMV
  • Power-Good
  • Synchronisierung mit externem Taktgeber
  • QFN16-Gehäuse (3 mm x 3 mm)

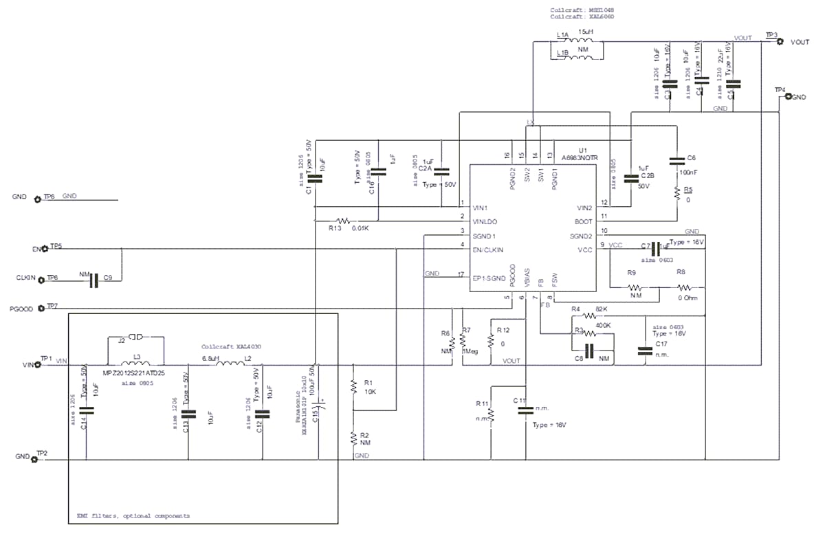
Schaltschema

Schaltplan - STMicroelectronics STEVAL-A6983NV1 Evaluierungsboard
Veröffentlichungsdatum: 2024-03-20 | Aktualisiert: 2024-04-04