STMicroelectronics STEVAL-MKI201V1K Evaluierungskit
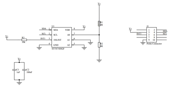
Das STEVAL-MKI201V1K Evaluierungskit von STMicroelectronics besteht aus einer Sonde mit dem STTS75 Temperatursensor, der über ein Flachkabel mit dem STEVAL-MKIGIBV1 Adapterboard verbunden ist. Dies ergibt eine Schnittstelle zum STEVAL-MKI109V3 Motherboard. Das STEVAL-MKI201V1K Evaluierungskit verfügt über ein kleines Gehäuse, das auf eine sehr dünne Sonde montiert werden kann. Dies unterstützt die Aufzeichnung von Temperaturwerten, die nicht durch die Wärme von anderen elektronischen Komponenten oder Boards beeinflusst werden. Das STEVAL-MKI201V1K Evaluierungskit bietet eine vollständige STTS75 Pinbelegung und wird mit den erforderlichen Entkopplungskondensatoren auf der VDD-Stromversorgungsleitung geliefert. Das STEVAL-MKIGIBV1 Adapterboard kann an einen DIL24-Standardsockel angeschlossen werden. Das STEVAL-MKI109V3-Motherboard verfügt über einen leistungsstarken 32-Bit-Mikrocontroller, der als Brücke zwischen dem Sensor und einem PC dient.Merkmale
- Benutzerfreundliches STTS75 Temperatursensorboard
- Vollständige STTS75 Pinbelegung für einen DIL24-Standardsockel
- Vollständig mit dem STEVAL-MKI109V3 Motherboard kompatibel
- RoHS-konform
- WEEE-konform
STEVAL-MKI201V1K Evaluierungskit - Schaltplandiagramm
Veröffentlichungsdatum: 2019-03-06
| Aktualisiert: 2025-12-12
