STMicroelectronics STPM801 Hot-Swap-Spannungscontroller
Die STPM801 Hot-Swap-Spannungsregler von STMicroelectronics bieten einen integrierten Hot-Swap, Soft-Start und O-Ring-Schutz. Diese Schutzfunktionen verhindern Lasten von Hochspannungstransienten und begrenzen und regeln den Ausgang während eines Überspannungsereignisses. Dazu gehören Lastabwürfe durch die Steuerung des Spannungsabfalls über einen externen N-Kanal-MOSFET. Das Bauteil überwacht zusätzlich die Eingangsversorgung, um diese bei Überspannungs- und Unterspannungsbedingungen zu schützen.Der STPM801 Hot-Swap-Spannungscontroller von STMicro verfügt über einen integrierten ideal-Dioden-Controller, der einen zweiten MOSFET (der O-Ring) ansteuert, um eine Schottky-Diode für den Eingangsverpolungsschutz und die Überbrückung der Ausgangsspannung zu ersetzen.
Der STPM801 Regler implementiert den Durchlass-Spannungsabfall über den MOSFET und reduziert Sperrstrom-Transienten bei Fehlern, beispielsweise Stromquellenausfall, Spannungsabfall oder Eingangskurzschluss. Der STPM801 unterstützt Applikationen, die die funktionalen Sicherheitsanforderungen gemäß ASIL (Aautomotive Safety Integrity Level) A-B-C-D, je nach Applikations-TSR, erfüllen müssen.
Der STPM801 ist in einem kompakten VFQFN-32-Gehäuse von 5 mm x 5 mm untergebracht, spart PCB-Platz und reduziert die Notwendigkeit für externe Komponenten. Das Bauteil arbeitet in einem großen Versorgungsspannungsbereich von 4 V bis 65 V mit einem niedrigen Ruhestrom von 25 µA, wodurch die Widerstandsfähigkeit gegen elektrische Gefahren in Fahrzeugen gewährleistet und die Batterieentladung bei ausgeschaltetem Fahrzeug minimiert wird.
Merkmale
- AEC-Q100-qualifiziert
- Einkanal
- Großer Eingangsspannungsbereich: 4 V bis 65 V
- Eingangsverpolungsschutz von -65 V
- Zwei externe N-Kanal-MOSFET-Vorsteuerungen
- Eine Soft-Start Funktion
- Eine O-Ring-Funktion
- Ruhestrom von <50 μA, wenn WAKE niedrig ist
- Integrierte Ladungspumpe
- Eingangsüberspannungsschutz
- Eingangsunterspannungsschutz
- Ausgangsüberstromschutz
- Erfüllt die Anforderungen des AC-Rippeltests nach 16750 (50 Hz bis 25 kHz)
- Einstellbarer Soft-Start mit externem Kondensator
- Entwickelt gemäß ISO 26262 zur Unterstützung von ASIL-D-Anwendungen
Applikationen
- Elektronische Zonen-/Karosserie-Steuereinheiten (ECUs)
- Autonome Fahr-ECUs
- Erweiterte Fahrerassistenzsysteme (FAS)
- Infotainment-ECUs
- Redundante Stromversorgungssysteme
- Dual-Batterie-Einstellungen.
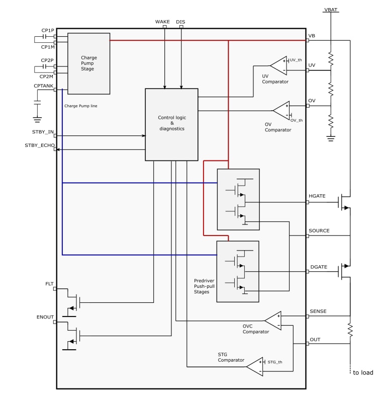
Blockdiagramm
