STMicroelectronics TDA7491HV Audioverstärker

STMicroelectronics TDA7491HV Audioverstärker sind Dual-Bridge-Tied-Load-(BTL)-Audioverstärker der Klasse D mit einem einzelnen Netzteil, das für LCD-Fernseher und Monitore ausgelegt ist. Funktionen umfassen Kurzschluss-Sicherung, thermischen Überlastschutz und externe Synchronisierung. Diese Audioverstärker sind mit den TDA7491P und TDA7491LP Verstärkern Pin-zu-Pin-kompatibel.

Merkmale

  • 20 W + 20 W Dauerausgangsleistung:
    • RL = 8 Ω, THD = 10 % bei VCC = 18 V
  • Großer Einzelversorgungsbetriebsbereich (5 V bis 18 V)
  • Hoher Wirkungsgrad (η = 90 %)
  • Vier auswählbare, feste Verstärkereinstellungen von nominell 20 dB, 26 dB, 30 dB und 32 dB
  • Differentialeingang reduziert Gleichtaktrauschen
  • Kein „Pop“ beim Ein-/Ausschalten
  • Standby- und Stummschaltungsfunktionen
  • Kurzschlusssicherung
  • Thermische Überlastsicherung
  • Externe Synchronisierung

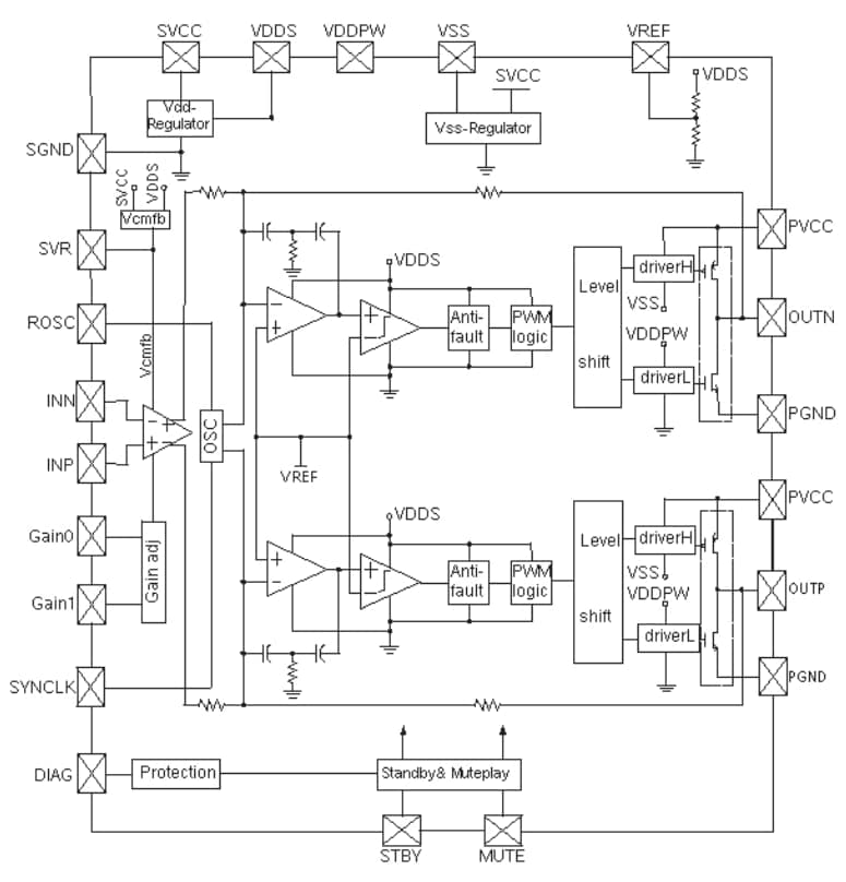
Internes Blockdiagramm (nur mit einem Kanal)

Blockdiagramm - STMicroelectronics TDA7491HV Audioverstärker
Veröffentlichungsdatum: 2018-11-20 | Aktualisiert: 2023-02-23