STMicroelectronics L99VR02XP Duale Spannungsregler für Kraftfahrzeuge
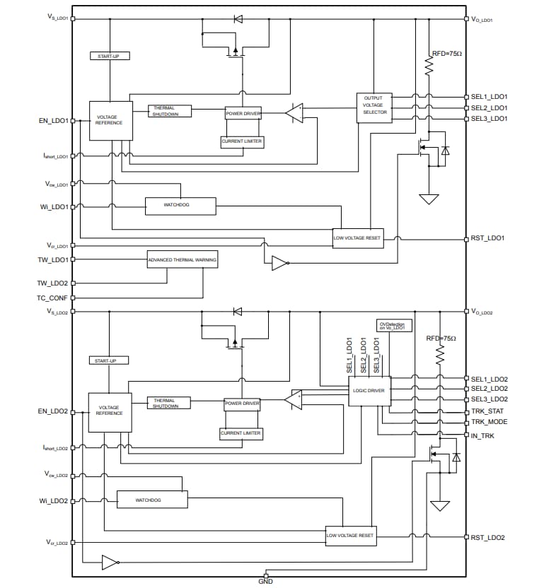
STMicroelectronics L99VR02XP Dual Fahrzeug Spannungsregler werden in einem PowerSSO-36 Paket für Fahrzeuganwendungen entwickelt. Der LDO liefert einen Ausgangsstrom von bis zu 2x250mA und nutzt einen Ruhestrom von nur 1μA (pro Ausgang), wenn der Regler deaktiviert ist. Der Eingang ist 40 V tolerant, um Lastabwürfe zu überstehen, während der Eingangsspannungsbereich zwischen 2,15 V und 28 V liegt. Jeder der L99VR02XP Ausgänge kann über SELx -Pins so konfiguriert werden, dass eine feste Ausgangsspannung erzeugt (0,8 V 1,2 V 1,5 V 1,8 V 2,5 V 2,8 V 3,3 V oder 5 V). Eine hohe Genauigkeit der Ausgangsspannung (±2%) wird über einen weiten Temperaturbereich sowie über einen weiten Bereich von Netzspannung und Lastschwankungen hinweg aufrechterhalten.Die STMicro L99VR02XP Regler bieten Reset, Aktivierung, autonomen Watchdog, erweiterte Wärmewarnung, Wärmecluster und schnelle Ausgangsentladung. Automatische Spannungsverfolgung von LDO2 bezüglich des internen LDO1, eines externen Spannungsreglers und der IShort-Steuerung. Der Ausgangsstrom des Reglers ist intern begrenzt, wodurch das Gerät vor Kurzschluss und Überlastung geschützt wird. Ebenso verfügt es über einen Übertemperaturschutz; der KurzschlussstromWert ist über einen externen Widerstand konfigurierbar. Der L99VR02XP kann im Nachregelungsmodus, mit einer vorgeregelten Spannung oder direkt mit der Batterie betrieben werden.
Merkmale
- AEC-Q100-qualifiziert
- Betrieb von DC-Leistung Versorgungsspannungs- Bereich von 2,15 V bis 28 V
- Die Ausgänge sind gegen Kurzschlüsse an die Batterie geschützt
- Der Betrieb in den Modi Batterie und Nachregulierung ist zulässig
- Low-Dropout-Controller Spannung
- Niedriger Ruhestromverbrauch
- Zwei Ausgangsspannungen
- Vom Benutzer wählbare Ausgangsspannung (0,8 V 1,2 V 1,5 V 1,8 V 2,5 V 2,8 V 3,3 V oder 5 V)
- Ausgangsspannung Präzision ±2 %
- Freigabeeingang für das Aktivieren/Deaktivieren des Spannungsreglers
- Ausgangsspannungsüberwachung mit Reset-Ausgang
- Vernachlässigbarer Effekt ESR auf Ausgangsspannung Stabilität für Last Kondensator
- Programmierbarer autonomer Watchdog und Reset- Impulsverzögerung über externe Kondensatoren
- Unterspannungssperre (UVLO):
- Schnelle Ausgangsentladung
- Überhitzungsabschaltschutz und Kurzschlussschutz
- Erweiterte Temperaturwarnung und Überspannungsdiagnose
- Thermische Cluster
- Programmierbarer Kurzschluss-Ausgangsstrom
- Breiter Betriebstemperaturbereich (von TJ = -40 °C bis +175 °C)
- Automatische Spannungsnachführung (bzw. -rückführung) von LDO2 in Bezug auf LDO1 oder eines externen Spannungsreglers
- Begrenzte Dokumentation für Kunden, die Unterstützung bei der Einhaltung der ASIL-Anforderungen gemäß ISO 2626 benötigen
Technische Daten
- 40 V maximale Versorgungsspannung (Lastabwurf )
- Max. Ausgangsspannungstoleranz ±2 %
- Ausgangsstrom 2 x 250 mA
- ≤Ruhestrom: 1 µA
Blockdiagramm
Veröffentlichungsdatum: 2025-07-22
| Aktualisiert: 2025-11-06
