STMicroelectronics STGIPQ8C60T SLLIMM Nano-IPM der 2. Generation

Die STMicroelectronics STGIPQ8C60T SLLIMM™ Nano intelligenten Leistungsmodule (IPM) der 2. Generation sind für eine bessere und einfachere Befestigung am Kühlkörper konzipiert. Diese IPMs zeichnen sich durch einen kompakten Hochleistungs-AC-Motorantrieb und eine einfache, robuste Konstruktion aus. Das intelligente geformte Small-Low-Loss-(SLLIMM)-IPM der Nano-Baureihe ist mit einem Operationsverstärker für eine verbesserte Strommessung und mit einem Komparator zum Fehlerschutz gegen Überstrom ausgestattet. Zu den typischen Applikationen gehören Dreiphasen-Wechselrichter für Motorantriebe, Ablauf- und Umwälzpumpen, Heizsysteme und Klimaanlagelüfter.

Merkmale

  • Integrierte Bootstrap-Diode
  • Unterspannungssperre
  • Verriegelungsfunktion
  • Intelligente Abschaltfunktion
  • 1500 Vrms/Min. Isolierungsleistung
  • Operationsverstärker für verbesserte Strommessung
  • Komparator für Fehlerschutz gegen Überstrom
  • Optimiert für geringe elektromagnetische Störung

Applikationen

  • Dreiphasen-Wechselrichter für Motorantriebe
  • Geschirrspülmaschinen
  • Kompressoren für Kühlschränke
  • Heizungsanlagen
  • Lüfter für Klimaanlagen
  • Ablauf- und Umwälzpumpen

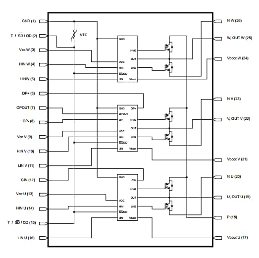
Interner Schaltplan und Pinbelegung

Technische Zeichnung - STMicroelectronics STGIPQ8C60T SLLIMM Nano-IPM der 2. Generation
Veröffentlichungsdatum: 2017-11-07 | Aktualisiert: 2025-12-01