STMicroelectronics STSPIN948 Skalierbare Dual-Vollbrücken-Treiber
Die skalierbaren Dual-Vollbrückentreiber STSPIN948 von STMicroelectronics sind 4,5 A-Bauteile für Bürsten-DC-Motoren oder bipolare Schrittmotoren. Die Leistungsstufe ist mit einer hohen dynamischen Leistung ausgelegt und ermöglicht Benutzern eine Hochfrequenz-PWM-Steuerung mit präzisen Tastverhältnissen. Jede Vollbrücke ist unabhängig mit einem einstellbaren Schwellenstrombegrenzer und Ausschaltzeit mit langsamem oder gemischtem Abklingen. Zwei Verstärker mit festen Verstärkungsfaktoren sorgen mithilfe eines externen Querwiderstands für die Stromerfassung. Eine einstellbare Anstiegsrate garantiert den besten Kompromiss zwischen Leistung und EMI. Die vielseitige Leistungsstufe bietet verschiedene Betriebsarten für ein hohes Maß an Flexibilität. STMicroelectronics STSPIN948 bietet eine vollständige Reihe von Schutzfunktionen, einschließlich Überstrom, Übertemperatur und niedriger BUS-Spannungs- Erkennung.Merkmale
- Betriebsspannung bis zu 58 V
- Maximaler Ausgangsstrom bis zu 4,5 ARMS
- 5 x Ansteuermethoden mit Vollbrücken- und dual-Halbbrücken-Parallelmodus
- RDS(ON) HS + LS = 0.36Ω Typ.
- Einstellbare Leistungs-MOS-Anstiegsrate
- Integrierte Verstärker mit 2x verschiedenen embedded-Stromsteuerungstechniken
- Einstellbare Ausschaltzeit mit langsamem oder gemischtem Abklingen
- Geringer Stromverbrauch im standby-Modus
- Schutzfunktionen
- UVLO
- Überstromschutz
- Thermische Abschaltung
Applikationen
- Bühnenbeleuchtung
- Fabrikautomatisierung
- Geldautomaten und Geldbearbeitungsgeräte
- Textilmaschinen
- Haushaltsgeräte
- Robotik
- Antennensteuerung
- Verkaufsautomaten
Technische Daten
- 2,8 V bis 3,6 V Steuerlogikversorgungsspannungsbereich
- 5,2 V bis 58 V Leistungsstufen-Versorgungsspannungsbereich
- 0,5 V/μs maximaler Versorgungsspannungsgefälle
- 3 V Typische bootstrap-Übersteuerspannung
- -0,6 V bis +1 V low-side-Quellenspannungsbereich
- Logikeingangsbereich: 0 V bis 5 V
- Bis zu 4,5 ARMS maximaler DC-Ausgangsstrom
- Bis zu 8 mA maximaler open-drain-Ausgangs-Senkenstrom
- Zeiteinstellungs-Widerstandsbereich: 10kΩ bis 120 kΩ Strombegrenzer
- 0,1 nF bis 5,6 nF Strombegrenzer Zeiteinstellungskondensatorbereich
- 280 ns Minimale PWM-Pulsbreite
- 170µs Typische Ladezeit für Ladungspumpen-Kondensator
- Schaltfrequenzbereich: 0 kHz bis 500 kHz
- 1µF Typischer bootstrap-Kondensator
- 100 nF Typischer Ladungspumpen-Kondensator
- Temperaturbereiche
- Umgebungstemperatur: -40 °C bis +85 °C
- -40 °C bis +150 °C Anschluss
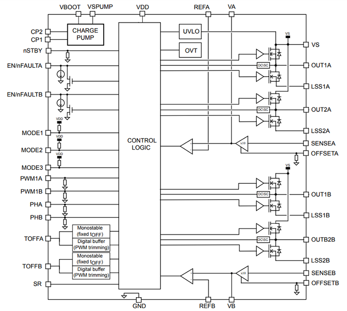
Blockdiagramm
Videos
Veröffentlichungsdatum: 2023-07-24
| Aktualisiert: 2025-12-18
