EPCOS / TDK CarXield B84252 Leistungs-EMV-Filter
Die TDK CarXield B84252 Power EMC- Filter wurden entwickelt, um eine hervorragende EMI- Unterdrückung in Applikationen zu gewährleisten. Der B84252A0200A000 bietet eine Nennspannung von 500 VDC und einen Nennstrom von 200 A bis 400 A, während der B84252B0400A000 eine Nennspannung von 1.000 VDC und einen Nennstrom von 400 A bietet. Beide Filter bieten eine hohe Dämpfung und kompakte Designs. CarXield-Filter sind ideal für die Unterdrückung von EMI-Störungen und gewährleisten den zuverlässigen Betrieb empfindlicher Geräte, indem sie Gleichtakt- und Gegentaktstörungen wirksam unterdrücken. TDK CarXield B84252 Power EMC Filter verfügen über eine passive Entladungsschaltung, eine einfache Installation, ein kompaktes Design und sind für raue Umgebungsbedingungen geeignet.Merkmale
- Passive Entladungsschaltung
- Einfach und schnell zu installieren
- Kompaktes Design
- Raue Umgebungsbedingungen
- Verwendete Y2-Kondensatoren
- Verwendete X2-Kondensatoren (nur B84252A0200A000)
Applikationen
- Verschiedene Topologien
- Motorwechselrichter
- Batterie
- EMI-Rauschunterdrückung
- Nutz- und Beifahrer-Elektrofahrzeuge
Technische Daten
- Gemeinsamer
- -40 °C bis +85 °C Betriebstemperaturbereich
- IP00-Schutzart
- UL 94 V-0 Brennbarkeitsklasse
- Metallgehäuse/Kunststoffabdeckung
- Hergestellt mit nanokystallinen Kernen
- RoHS-, REACH- und GADSL-Kompatibilität
- B84252A0200A000
- Nennspannung: 500 VDC
- Nennstrom: 200 AA bis 400 AA
- B84252B0400A000
- Nennspannung: 1.000 VDC
- 400 A Nennstrom
Datenblätter
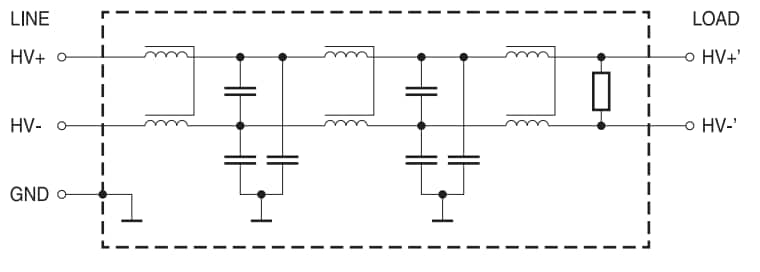
Typisches Schaltdiagramm
Videos
Veröffentlichungsdatum: 2025-05-08
| Aktualisiert: 2025-12-19
