TDK InvenSense IIM-42653 SmartIndustrial™-MotionTracking-Bauteil

Das IIM-42653 6-Achsen-SmartIndustrial™-MotionTracking-Bauteil von TDK InvenSense unterstützt einen erweiterten Betriebstemperaturbereich von -40 °C bis +105 °C. Dieses Bauteil kombiniert ein 3-Achsen-Gyroskop und einen 3-Achsen-Beschleunigungsmesser in einem kompakten Gehäuse mit Abmessungen von 2,5 mm x 3 mm x 0,91 mm. Das IIM-42653-Bauteil verfügt über einen 2 KB FIFO, der den Verkehr auf der seriellen Busschnittstelle und den Stromverbrauch reduziert, indem es dem Systemprozessor ermöglicht, Sensordaten zu lesen und in den Stromsparmodus umzuschalten. Ein hochgenauer externer Takteingang wird unterstützt, um Empfindlichkeitsfehler auf Systemebene zu reduzieren und die Gesamtausrichtungsmessung aus Gyroskopdaten zu verbessern. Die Host-Schnittstelle kann I3C-SM-Sub-, I2C-Sub- oder SPI-Sub-Modi unterstützen. Die I3C-SM-Schnittstelle ermöglicht Geschwindigkeiten bis zu 12,5 MHz, während die I2C-Schnittstelle Geschwindigkeiten bis zu 1 MHz und die SPI-Schnittstelle Geschwindigkeiten bis zu 24 MHz unterstützt. Das IIM-42653 6-Achsen-SmartIndustrial-MotionTracking-Bauteil von TDK InvenSense eignet sich für Navigations-, Ausrichtungausrüstungs-, Neigungserkennungs- und Robotik-Applikationen.

Merkmale

  • X-, Y- und Z-Achsen-Beschleunigungsmesser mit digitalem Ausgang
  • X-, Y- und Z-Achsen-Drehratensensoren mit digitalem Ausgang (Gyroskope)
  • Benutzerprogrammierbare Interrupts
  • I3CSM /I2C-/SPI-Sub-Host-Schnittstelle
  • Temperatursensor mit Digitalausgang
  • Kleines und dünnes Gehäuse
  • Hermetisch abgedichtete und auf Wafer-Level verbundene MEMS-Struktur

Applikationen

  • Navigation
  • Ausrichtungsmessung
  • Abtastung der Neigung
  • Plattformstabilisierung
  • Robotik

Technische Daten

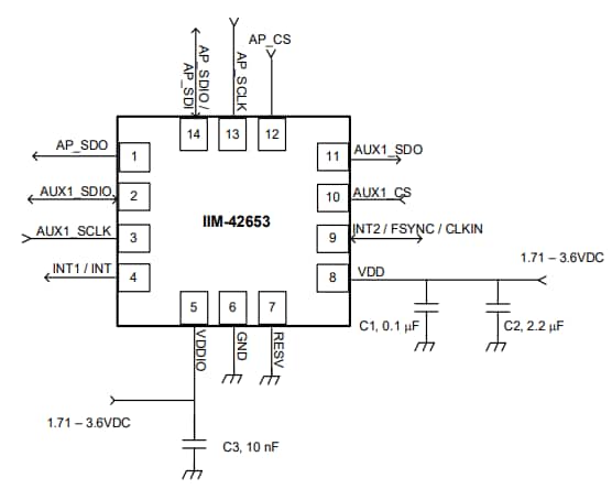
  • 14-Pin-LGA-Gehäuse
  • 1,71 V bis 3,6 V Betriebsspannungsbereich
  • Abmessungen: 2,5 mm x 3 mm x 0,91 mm
  • Stoßfestigkeit von 20.000 g
  • RoHS-konform und umweltfreundlich
  • -40 °C bis +105 °C Betriebstemperaturbereich

Typische Applikationsschaltung

TDK InvenSense IIM-42653 SmartIndustrial™-MotionTracking-Bauteil
Veröffentlichungsdatum: 2024-03-20 | Aktualisiert: 2024-08-29