Der Texas Instruments CC2591
2.4GHz
RF Front End Range Extender wurde speziell für existente und zukünftige TI RF Transceiver, Transmitter und System-on-Chip (SoC) Produkte entwickelt. Der
CC2591 leistet hohe Integration für ein einfaches Entwickeln leistungsstarker kabelloser Anwendungen und bietet nahtlosen Anschluss zu
CC2
xxx
RF-Geräten. Dieser
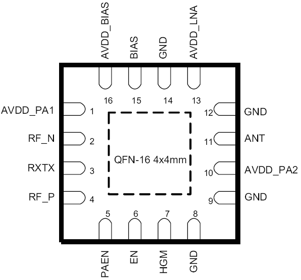
RF Front End Range Extender besitzen einen Leistungsverstärker für verbesserte Ausgangsleistung, eine LNA mit niedriger Rauschzahl für bessere Empfängersensitivität und einsehr kleines 4x4mmQFN-16 Gehäuse.