Texas Instruments ADC344x Quad-Kanal-14-Bit-ADCs
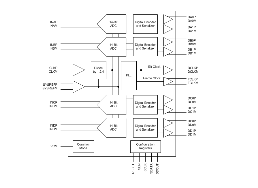
Der ADC344x 14-Bit-Analog-Digitalwandler (ADC) von Texas Instruments ist ein hoch linearer, 14-Bit, 25-MSPS- auf 125-MSPS-Quad-Kanal-Analog-Digitalwandler (ADC) mit äußerst geringem Energieverbrauch. Die Bauteile sind speziell entwickelt, um anspruchsvolle, hohe Eingangsfrequenzsignale mit großen Dynamikbereichsanforderungen zu unterstützen. Ein Eingangstaktteiler ermöglicht höhere Flexibilität für ein Systemtakt-Architekturdesign und der SYSREF-Eingang ermöglicht eine komplette Systemsynchronisierung. Die ADC344x unterstützen serielles Low-Voltage Differential Signaling (LVDS), um die Anzahl der Schnittstellenleitungen zu senken und somit eine höhere Systemintegrationsdichte zu ermöglichen. Die serielle LVDS-Schnittstelle ist eine Zweidraht-Ausführung, wobei alle ADC-Daten serialisiert und über zwei LVDS-Paare ausgegeben werden. Eine interne phasengesperrte Schleife (PLL) multipliziert den hereinkommenden ADC-Abtasttakt, um den Bit-Takt abzuleiten, der verwendet wird, um die 14-Bit-Ausgangsdaten von jedem Kanal zu serialisieren.Merkmale
- Quad-Kanal
- 14-Bit-Auflösung
- SRV = 72,4 dBFS, SFDR = 87 dBc bei fIN = 70 MHz
- Pin-zu-Pin-kompatibel mit 12-Bit-Version
- Extrem geringer Stromverbrauch
- 98 mW/Kanal bei 125 MSPS
- Gehäuse: VQFN-56 (8 mm×8 mm)
Applikationen
- Multi-Carrier, Multi-Mode Mobil-Basisstationen
- Radar- und Smart Antenna-Arrays
- Anleitung für Munitionen
- Motorsteuerungs-Feedback
- Netzwerk- und Vektoren-Analysatoren
- Kommunikationstestgeräte
- Zerstörungsfreie Prüfung
- Mikrowellenempfänger
- Softwarebasierte Funkgeräte (SDRs)
- Quadratur- und Mehrfach-Funkempfänger
Blockdiagramm
Veröffentlichungsdatum: 2016-01-22
| Aktualisiert: 2025-06-25
