Texas Instruments ADC34RF52 14-Bit-HF-Sampling-ADC
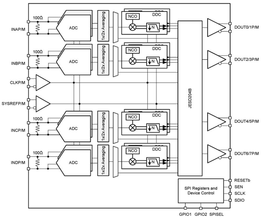
Der 14-Bit-HF-Sampling-Analog-Digital-Wandler (ADC) ADC34RF52 von Texas Instruments ist ein Single-Core-14-Bit-Vierkanal-ADC mit 1,5 GS/s, der HF-Sampling mit Eingangsfrequenzen von bis zu 2,5 GHz unterstützt. Das Design liefert eine Rauschspektraldichte von -153 dBFS/Hz und maximiert das Signal-Rausch-Verhältnis (SNR). Die Rauschdichte verbessert sich durch die Verwendung zusätzlicher interner ADCs und On-Chip-Signalmittelung auf -156 dBFS/Hz.Jeder ADC-Kanal kann über einen 48-Bit-NCO an einen digitalen Dual-Band-Abwärtswandler (DDC) angeschlossen werden. Diese Funktion unterstützt phasenkohärente Frequenzsprünge, die in weniger als 1 µs durch Verwendung der GPIO-Pins für die NCO-Frequenzsteuerung erreicht werden können. Der ADC34RF52 von Texas Instruments unterstützt die serielle Datenschnittstelle JESD204B mit deterministischer Latenz der Subklasse 1 und Datenraten von bis zu 13 GBit/s. Es gibt nur zwei SERDES-Spuren pro ADC-Kanal. Die energieeffiziente ADC-Architektur verbraucht 0.73 W/ch bei 1.5 GS/s und bietet eine Leistungsskalierung bei niedrigeren Abtastraten.
Merkmale
- 14-Bit-Vierkanal-ADC mit 1,5 GS/s
- Spektrale Rauschdichte
- -153 dBFS/Hz ohne Mittelwertbildung
- -156 dBFS/Hz mit 2-facher Mittelung
- Einkernige (nicht verschachtelte) ADC-Architektur
- 50 fs Öffnungsjitter
- Geringes Restphasenrauschen im Nahbereich von -133 dBc/Hz bei 10 kHz offset
- Spektrale Leistung (fIN = 900 MHz, -4 dBFS)
- 2 x interne Mittelwertbildung
- Signal-Rausch Verhältnis (SNR): 65,2 dBFS
- SFDR HD2,3: 74 dBc
- SFDR schlechteste Spitze: 90 dBFS
- Eingangsendwert: 1.0/1.1 Vpp (1/1.8 dBm)
- Volle Eingangs-Bandbreite (-3dB): 1,6 GHz
- Serielle Datenschnittstelle JESD204B
- Maximale Spurrate: 13 Gb/s
- Unterstützt die deterministische Latenz der Unterklasse 1
- Digitale Abwärtskonverter
- Bis zu zwei DDC pro ADC-Kanal
- Komplexe Ausgabe: 4- bis 128-fache Dezimierung
- 48-Bit-NCO-Phasenkohärentes Frequenzsprungverfahren
- Schnelles Frequenzsprungverfahren: < 1µs
- 0.73 W/Kanal (1x AVG) Stromverbrauch
- Stromversorgung: 1,8 V, 1,2 V
Applikationen
- Phased-Array-Radar
- Spektrumanalysator
- Software-definierter Funk (SDR)
- Elektronische Kriegsführung
- Hochgeschwindigkeits-Digitalisierer
- Kabelinfrastruktur
- Telekommunikationsinfrastruktur
Funktionales Blockdiagramm
Veröffentlichungsdatum: 2024-06-18
| Aktualisiert: 2024-06-26
