Texas Instruments ADC34RF55 14-Bit-HF-Sampling-ADC
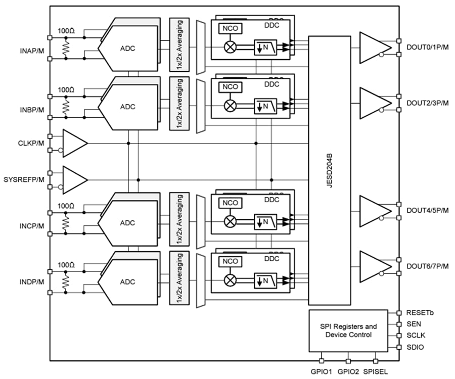
Der 14-Bit-HF-Sampling-Analog-Digital-Wandler (ADC) ADC34RF55 von Texas Instruments ist ein Single-Core-14-Bit-3-GS/s-Vierkanal-ADC, der HF-Sampling mit Eingangsfrequenzen von bis zu 3 GHz unterstützt. Das Design liefert eine Rauschspektraldichte von -156 dBFS/Hz und maximiert das Signal-Rausch-Verhältnis (SNR). Die Rauschdichte verbessert sich durch die Verwendung zusätzlicher interner ADCs und On-Chip-Signalmittelung auf -158 dBFS/Hz.Jeder ADC-Kanal kann über einen 48-Bit-NCO an einen digitalen Dual-Band-Abwärtswandler (DDC) angeschlossen werden. Diese Funktion unterstützt phasenkohärente Frequenzsprünge, die in weniger als 1 µs durch Verwendung der GPIO-Pins für die NCO-Frequenzsteuerung erreicht werden können. Der ADC34RF55 von Texas Instruments unterstützt die serielle Datenschnittstelle JESD204B mit deterministischer Latenz der Subklasse 1 und Datenraten von bis zu 13 Gb/s. Es gibt nur zwei SERDES-Spuren pro ADC-Kanal. Die stromsparende ADC-Architektur verbraucht 1.2 W/ch bei 1.5 GS/s und bietet eine Leistungsskalierung bei niedrigeren Abtastraten.
Merkmale
- 14-Bit, Vierkanal-ADC mit 3 GS/s
- 1,5 GS/s maximale Ausgaberate
- Spektrale Rauschdichte
- -156 dBFS/Hz
- -158 dBFS/Hz mit 2-facher Mittelwertbildung
- Einkernige (nicht verschachtelte) ADC-Architektur
- 50 fs Öffnungsjitter
- Geringes Restphasenrauschen im Nahbereich von -127 dBc/Hz bei 10 kHz Offset
- Spektrale Leistung (fIN = 0,9 GHz, -4 dBFS)
- 2 x interne Mittelwertbildung
- Signal-Rausch Verhältnis (SNR): 62,3 dBFS
- SFDR HD 2,3: 63 dBc
- SFDR höchste Störung: 85 dBFS
- Spektrale Leistung (fIN = 1,8 GHz, -4 dBFS)
- 2 x interne Mittelwertbildung
- Signal-Rausch Verhältnis (SNR): 63 dBFS
- SFDR HD 2,3: 68 dBc
- SFDR: 86 dBFS höchste Störung
- Eingangsendwert: 1.1/, 1.35 Vpp (2,3.5 dBm)
- 10 -15 Codefehlerrate (CER)
- 2,75 GHz volle Leistungseingangsbandbreite (-3 dB)
- Serielle Datenschnittstelle JESD204B
- Maximale Spurrate: 13 Gb/s
- Unterstützt die deterministische Latenz der Unterklasse 1
- Digitale Abwärtskonverter
- Bis zu zwei DDC pro ADC-Kanal
- Komplexe Ausgabe: 4- bis 128-fache Dezimierung
- 48-Bit-NCO-Phasenkohärentes Frequenzsprungverfahren
- Schnelles Frequenzsprungverfahren: < 1µs
- 1,2 W/Kanal Leistungsaufnahme
- Stromversorgung: 1,8 V, 1,2 V
Applikationen
- Phased-Array-Radar
- Software-definierter Funk (SDR)
- Spektrumanalysator
- Hochgeschwindigkeits-Digitalisierer
- Kabelinfrastruktur
- Elektronische Kriegsführung
- Telekommunikationsinfrastruktur
Funktionales Blockdiagramm
Veröffentlichungsdatum: 2024-06-18
| Aktualisiert: 2024-06-26
