Texas Instruments ADC368x Rauscharme ADCs mit niedrigem Stromverbrauch
Die ADC368x rauscharmen stromsparenden Analog-Digital-Wandler (ADCs) von Texas Instruments sind eine rauscharme 18-Bit-Hochgeschwindigkeits-Zweikanal-ADC-Produktfamilie mit 65 MS/s und extrem niedrigem Stromverbrauch. Sie sind für eine rauscharme Leistung ausgelegt und liefern eine spektrale Rauschdichte von -160 dBFS/Hz in Kombination mit einer ausgezeichneten Linearität und einem hervorragenden Dynamikbereich. Der ADC368x bietet eine erstaunliche DC-Genauigkeit und ZF-Abtastunterstützung, wodurch er sich für verschiedene Applikationen eignet. Die Hochgeschwindigkeitsregelkreise profitieren von der kurzen Latenzzeit von nur einem Taktzyklus. Der ADC verbraucht nur 94 mW bei 65 MS/s und sein Stromverbrauch passt gut zu niedrigeren Abtastraten.Der ADC368x von Texas Instruments verwendet eine serielle LVDS-Schnittstelle (SLVDS) zur Ausgabe der Daten, wodurch die Anzahl der digitalen Verbindungen reduziert wird. Das Bauteil unterstützt zweispurige, einspurige und halbspurige Optionen. Der ADC368x ist eine Pin-zu-Pin-kompatible Produktfamilie mit 16-Bit- und 18-Bit-Auslösungen und verschiedenen Geschwindigkeitsklassen. Er wird in einem 40-Pin-QFN-Gehäuse (5 mm x 5 mm) geliefert und unterstützt einen erweiterten Industrietemperaturbereich von -40 ⁰C bis +105 ⁰C.
Merkmale
- Zweikanal-ADC
- 18-Bit-ADC mit 10/25/65 MS/s
- Grundrauschen: -160 dBFS/Hz
- 53 mW/Kanal (10 MS/s) bis 94 mW/Kanal (65 MS/s) geringer Stromverbrauch und optimierte Leistungsskalierung
- Latenz von 1-2 Taktzyklen
- 18-Bit-Auflösung, keine fehlenden Codes
- INL/DNL: ±7/ ±0,7 LSB (typisch)
- Referenz (extern oder intern)
- 900 MHz (3 dB) Eingangsbandbreite
- Industrietemperaturbereich: -40 °C bis +105 °C
- On-Chip-Digitalfilter (optional)
- Dezimation durch 2, 4, 8, 16, 32
- 32-Bit-NCO
- Serielle LVDS-Digitalschnittstelle (2-, 1- und 1/2-Draht)
- 40-QFN-Gehäuse mit kleinem Footprint (5 mm x 5 mm)
- Spektrale Leistung (fIN = 5 MHz)
- SRV: 83,8 dBFS
- SFDR: 89 dBc HD2, HD3
- SFDR: 101 dBFS höchste Störung
- Spektrale Leistung (fIN = 20 MHz)
- SRV: 82,6 dBFS
- SFDR: 85 dBc HD2, HD3
- SFDR: 97 dBFS höchste Störung
Applikationen
- Hochgeschwindigkeits-Datenerfassung
- Industrieüberwachung
- Softwarebasierter Funk
- Leistungsqualitätsanalysator
- Quellenmesseinheit (SMU)
- Kommunikationsinfrastruktur
- Spektrumanalysator
- Regelkreise
- Messgeräte
- Bildverarbeitung
- Spektroskopie
- Radar
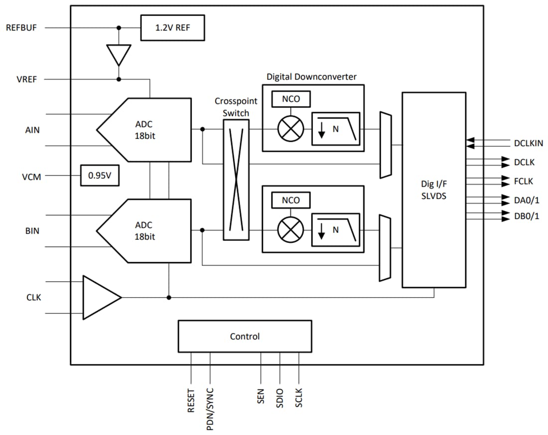
Funktionales Blockdiagramm
Veröffentlichungsdatum: 2022-12-12
| Aktualisiert: 2023-01-05
