Texas Instruments ADS131B23/Q1 AFE zur Spannungs- und Temperaturmessung

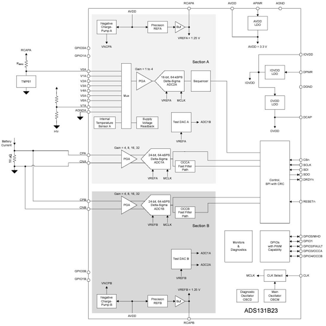
Das Texas Instruments ADS131B23/ADS131B23-Q1 Spannungs- und Temperaturmessungs-Analog-Frontend (AFE) ist ein vollständiges AFE für industrielle Batteriemanagementsysteme (BMS). Das Bauteil enthält zwei simultan abtastende 24-Bit-ADC-Kanäle (ADC1A, ADC1B) zur redundanten Messung des Batteriestroms mit hoher Auflösung und Genauigkeit mit einem externen Querwiderstand. Zwei unabhängige digitale Komparatoren ermöglichen eine schnelle Überstromerkennung parallel zu den beiden ADCs.

Ein zusätzlicher 16-Bit Multiplex-ADC (ADC2A) ist zur Messung der Shunt-Temperatur und anderer Spannungen im System, beispielsweise die Batteriepackspannung, mit externen Hochspannungs-Widerstandsteilern verfügbar. Die Shunt-Temperatur wird mit einem externen Temperatursensor, beispielsweise einem Thermistor oder einem analogen Ausgangstemperatursensor, gemessen. Der ADC2A ist mit einem Kanalsequenzer ausgestattet, der die konfigurierten Multiplexer-Eingänge automatisch durchläuft, um die Kommunikation auf dem SPI zu reduzieren.

Das Bauteil umfasst viele Überwachungs- und Diagnosefunktionen zur Reduzierung und Erkennung von zufälligen Hardwarefehlern, um die Entwicklung von funktionalen, sicheren BMS zu unterstützen. Interne Linearregler mit einem Eingangsbereich von bis zu 16 V unterstützen die Stromversorgung des Bauteils mit ungeregelten DC/DC-Wandlern. Das ADS131B23/ADS131B23-Q1 von Texas Instruments wird in einem 48-Pin-HTQFP-Gehäuse angeboten und ist für den Industrie-Temperaturbereich von -40 °C bis +105 °C spezifiziert. Die ADS131B23-Q1-Bauteile sind gemäß AEC-Q100 für Fahrzeuganwendungen zugelassen.

Merkmale

  • Zwei simultan abtastende 24-Bit ADCs (ADC1A, ADC1B) für Querwiderstandsmessungen
    • Programmierbarer Messbereichsendwert
      • ±39 mV bis ±312,5 mV
      • Unterstützt eine große Auswahl von Nebenwiderstandswerten und Strommessbereichen
    • Erreichen hochgenaue Stromnebenwiderstandsmessungen mit
      • ±1,5 µV (max.) Offset-Fehler
      • 25 ppm/°C (max.) Gain-Drift
    • Programmierbare Datenrate von 500 SPS bis 64 kSPS
    • Digitaler Überstrom-Komparator pro ADC mit programmierbaren Schwellwerten für eine schnelle Überstromerkennung
  • Ein gemultiplexter 16-Bit ADC (ADC2A) für Spannungs- und Temperaturmessungen
    • Acht analoge Eingänge
    • Programmierbarer Endwertbereich von ±312,5 mV bis ±1,25 V
    • Kanalsequenzer
  • Überwachungs- und Diagnosefunktionen zur Reduzierung und Erkennung von zufälligen Hardwarefehlern
  • Versorgungsspannungsbereich: 2,9 V bis 16 V
  • SPI-kompatible Schnittstelle
  • 9 GPIOs mit PWM-Fähigkeit

Applikationen

  • Batterie-Energiespeichersysteme (ESS)
    • Nebenschlussstrommessungen
    • Spannungsmessungen mit externen Widerstandsteilern
    • Temperaturmessungen mit Thermistoren oder analogen Ausgangstemperatursensoren

Funktionales Blockdiagramm

Blockdiagramm - Texas Instruments ADS131B23/Q1 AFE zur Spannungs- und Temperaturmessung
Veröffentlichungsdatum: 2023-02-03 | Aktualisiert: 2023-12-20