Texas Instruments AFE7903 2T2R HF-Sampling-Transceiver
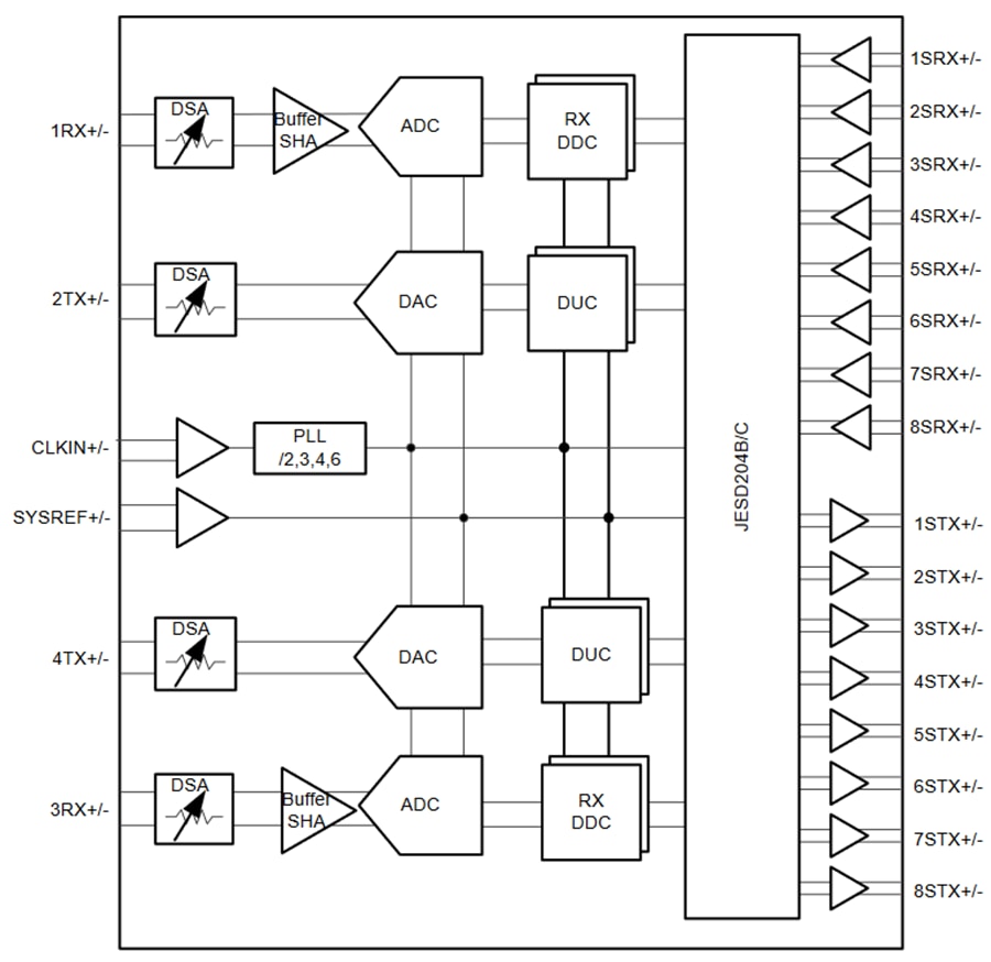
Der HF-Sampling-Transceiver AFE7903 2T2R von Texas Instruments ist ein leistungsstarker Mehrkanal-Transceiver mit großer Bandbreite, der zwei HF-Sampling-Empfängerketten und zwei HF-Sampling-Senderketten integriert. Mit einem Betriebsbereich von bis zu 7,4 GHz ermöglicht dieses Bauelement direktes HF-Sampling in den Frequenzbereichen HF, VHF, UHF, L-, S- und C-Band. Diese Funktion wird ohne zusätzliche Frequenzumwandlungsstufen realisiert. Diese Verbesserung der Flexibilität und Dichte ermöglicht Systeme mit einer hohen Anzahl von Kanälen, die für mehrere Aufgaben eingesetzt werden können.Die TX-Signalwege unterstützen digitale Aufwärts- und Interpolationskonvertierungsoptionen, die eine Signalbandbreite von bis zu 400 MHz bieten. Der Ausgang der DUCs steuert einen 12 GS/s-DAC (Digital-Analog-Wandler) mit einer Mixed-Mode-Ausgangsoption zur Verbesserung des 2nd-Nyquist-Betriebs. Der DAC-Ausgang des AFE7901 von Texas Instruments enthält einen Verstärker mit variabler Verstärkung (TX DSA) mit einem Bereich von 40 dB und 1 dB Analog- und 0,125 dB Digitalstufen.
Jede Empfängerkette umfasst einen DSA (Digital Step Attenuator) mit einem Bereich von 25 dB, gefolgt von einem 3 GS/s ADC (Analog-Digital-Wandler). Jeder Empfängerkanal verfügt über einen analogen Spitzenleistungsdetektor und verschiedene digitale Leistungsdetektoren zur Unterstützung eines externen oder internen autonomen Verstärkungsreglers sowie über HF-Überlastdetektoren zum Schutz der Gerätezuverlässigkeit. Flexible Dezimierungsoptionen ermöglichen die Optimierung der Datenbandbreite auf bis zu 400 MHz für zwei RX.
Das Bauelement enthält einen SYSREF-Timing-Detektor, der eine Optimierung des SYSREF-Eingangstimings relativ zum Taktgeber ermöglicht.
Merkmale
- Duales HF-Sampling 12 GS/s Sende-DACs
- Duales HF-Sampling 3 GS/s Emfänger-ADCs
- Maximal Signal Bandbreite pro TX oder RX von 400 MHz
- 5 MHz zu 7,4 GHz HF-Frequenzbereich
- Digitaler Schrittdämpfer (DSA)
- TX: 40 dB Bereich, 0,125 dB Schritte
- RX: 25 dB Bereich, 0,5 dB Schritte
- Einzel- oder Zweiband-DUC/DDCs für TX und RX
- 16x NCOs pro TX/RX
- Optionaler interner PLL oder VCO für DAC/ADC-Takte oder externer Takt bei DAC- oder ADC- Sample-Rate
- Sysref-Ausrichtungsdetektor
- SerDes-Datenschnittstelle
- JESD204B- und JESD204C-kompatibel
- Acht SerDes-Transceiver mit bis zu 29,5 Gbit/s
- Synchronisierung von mehreren Bauteilen der Unterklasse 1
- 17 mm × 17 mm FCBGA, 0,8 mm Pitch Gehäuse
Applikationen
- Radar
- Sucher-Front-End
- Verteidigungs-Funkgerät
- Taktische Kommunikationsinfrastruktur
- Drahtloser Kommunikationstest
Funktionales Blockdiagramm
