Texas Instruments AFE7953 2T2R-HF-Sampling-Analog-Frontend
Das 2T2R-HF-Sampling-Analog-Frontend (AFE) AFE7953 von Texas Instruments ist ein leistungsstarker Mehrkanal-Transceiver mit großer Bandbreite, der zwei HF-Sampling-Empfängerketten und zwei HF-Sampling-Senderketten integriert. Mit einem Betriebsbereich von bis zu 12 GHz ermöglicht dieses Bauelement direktes HF-Sampling in den Frequenzbereichen L-, S-, C- und X-Band. Diese Funktion wird ohne zusätzliche Frequenzumwandlungsstufen realisiert. Diese Verbesserung der Flexibilität und Dichte ermöglicht Systeme mit einer hohen Anzahl von Kanälen, die für mehrere Aufgaben eingesetzt werden können.Die TX-Signalpfade unterstützen digitale Aufwärts- und Interpolationskonvertierungsoptionen, die eine Signalbandbreite von bis zu 400 MHz pro TX-Kanal bieten. Der Ausgang der DUCs steuert einen 12 GS/s-DAC (Digital-Analog-Wandler) mit einer Mixed-Mode-Ausgangsoption zur Verbesserung des 2nd-Nyquist-Betriebs. Der DAC-Ausgang des AFE7951 von Texas Instruments enthält einen Verstärker mit variabler Verstärkung (TX DSA) mit einem Bereich von 40 dB und 1 dB Analog- und 0,125 dB Digitalschritten.
Merkmale
- Duales HF-Sampling 12 GS/s Sende-DACs
- Duales HF-Sampling 3 GS/s Emfänger-ADCs
- Maximale HF-Signalbandbreite: 400 MHz
- HF-Frequenzbereich: 600 MHz zu 12 GHz
- Digitaler Schrittdämpfer (DSA)
- TX: 40 dB Bereich, 0,125 dB Schritte
- RX: 25 dB Bereich, 0,5 dB Schritte
- Einzel- oder Zweiband-DUC oder DDCs
- 16x NCOs pro TX oder RX
- Wahlweise interner PLL oder VCO für DAC- oder ADC-Takte oder externer Takt bei DAC- oder ADC- Sample-Rate
- SerDes-Datenschnittstelle
- JESD204B- und JESD204C-kompatibel
- Acht SerDes-Transceiver mit bis zu 29,5 Gbit/s
- Synchronisierung von mehreren Bauteilen der Unterklasse 1
- 17 mm × 17 mm FCBGA, 0,8 mm Pitch Gehäuse
Applikationen
- Radar
- Sucher-Front-End
- Verteidigungs-Funkgerät
- Taktische Kommunikationsinfrastruktur
- Drahtloser Kommunikationstest
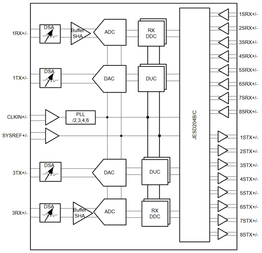
Funktionales Blockdiagramm
Veröffentlichungsdatum: 2024-06-21
| Aktualisiert: 2024-06-25
