Texas Instruments AFE7954 Vierfacher HF-Sampling-DAC
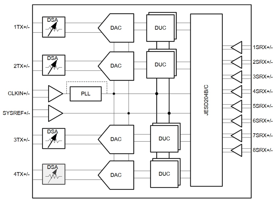
Der vierfache HF-Sampling-Digital-Analog-Wandler (DAC) AFE7954 von Texas Instruments ist ein leistungsstarker Vierkanal-HF-Sampling-DAC mit großer Bandbreite. Mit einem Betriebsbereich von bis zu 12 GHz ermöglicht dieses Bauelement direktes HF-Sampling in den Frequenzbereichen L-, S-, C- und X-Band. Diese Funktion wird ohne zusätzliche Frequenzumwandlungsstufen realisiert. Diese Verbesserung der Flexibilität und Dichte ermöglicht Systeme mit einer hohen Anzahl von Kanälen, die für mehrere Aufgaben eingesetzt werden können.Die Signalpfade unterstützen Interpolations- und digitale Upconversion-Optionen, die bis zu 1.200 MHz Signalbandbreite für vier DACs (TX) oder 2.400 MHz für zwei DACs liefern. Der Ausgang der DUCs steuert einen 12 Gbit/s-DAC (Digital-Analog-Wandler) mit einer Mixed-Mode-Ausgangsoption zur Verbesserung des 2nd-Nyquist-Betriebs. Der DAC-Ausgang des AFE7954 von Texas Instruments enthält einen Verstärker mit variabler Verstärkung (TX DSA) mit einem Bereich von 40 dB und 1 dB Analog- und 0,125 dB Digitalstufen.
Merkmale
- Vierfaches HF-Sampling mit 12 GS/s Sende-DACs
- Maximale HF-Signalbandbreite
- 4TX: 1.200 MHz
- 2TX: 2.400 MHz
- HF-Frequenzbereich: 600 MHz zu 12 GHz
- Digitaler Schrittdämpfer (DSA)
- TX: 40 dB Bereich, 0,125 dB Schritte
- Ein- oder Zweiband-DUC
- 16x NCOs pro TX
- Optionaler interner PLL/VCO für DAC oder externer Takt bei DAC-Sampling-Rate
- SerDes-Datenschnittstelle
- JESD204B- und JESD204C-kompatibel
- Acht SerDes-Transceiver mit bis zu 29,5 Gbit/s
- Synchronisierung von mehreren Bauteilen der Unterklasse 1
- Gehäuse: 17 mm × 17 mm FCBGA, 0,8 mm Raster
Applikationen
- Radar
- Sucher-Front-End
- Verteidigungs-Funkgerät
- Taktische Kommunikationsinfrastruktur
- Drahtloser Kommunikationstest
Funktionales Blockdiagramm
Veröffentlichungsdatum: 2024-06-21
| Aktualisiert: 2024-06-25
