Texas Instruments AMC131M03/AMC131M03-Q1 24-Bit-Delta-Sigma-ADC

Der isolierte 24-Bit-Delta-Sigma-Analog-Digital-Wandler (ADC) der Baureihe AMC131M03/AMC131M03-Q1 von Texas Instruments ist ein präziser Dreikanal-24-Bit-Delta-Sigma-ADC (Δ,Σ) mit Daten- und Leistungsisolierung. Der AMC131M03AMC131M03/AMC131M03-Q1 bietet einen großen Dynamikbereich von energiemessspezifischen und stromsparenden Funktionen für Leistungsmetrologie- und Energiemessapplikationen. Die ADC-Eingänge können aufgrund der hohen Eingangsimpedanz des Bauteils direkt mit einem Shunt-Stromsensor oder einem Widerstandsteiler-Netzwerk verbunden werden.

Der AMC131M03AMC131M03/AMC131M03-Q1 verfügt über einen vollständig integrierten isolierten DC/DC-Wandler, der einen Einzelversorgungsbetrieb von der Low-Side des Bauteils ermöglicht. Die verstärkte kapazitive Isolationsbarriere ist gemäß UL1577 und VDE 0884-17 zertifiziert. Diese Isolationsbarriere trennt Teile des Systems zum Schutz von Niederspannungsteilen vor Schäden. Das Bauteil wird auf verschiedenen Gleichtaktspannungspegeln betrieben, wodurch der AMC131M03AMC131M03/AMC131M03-Q1 eine ausgezeichnete Wahl für mehrphasige Energiemessapplikationen mit Shunt-Stromsensoren ist. Die AMC131M03-Q1 Bauteile von Texas Instruments sind gemäß AEC-Q100 für Fahrzeuganwendungen zugelassen.

Merkmale

  • Drei isolierte, simultan abtastende Δ-Σ-ADCs mit differentiellen oder einendigen Eingängen
  • Einzelversorgungsbetrieb (3,3 V oder 5 V) mit integriertem DC/DC-Wandler
  • Niedrige EMI, welche die Standards CISPR-11 und CISPR-25 erfüllt
  • Programmierbare Datenrate bis zu 64 kSPS
  • Programmierbare Verstärkung bis zu 128
  • Interne Spannungsreferenz mit geringer Abweichung:
  • Interner Temperatursensor
  • Vierdrähtige SPI-Schnittstelle mit zyklischer Redundanzprüfung (CRC)
  • Sicherheitsbezogene Zulassungen
    • 7070 V verstärktePEAK -Isolierung nach DIN EN IEC 60747-17 (VDE 0884-17)
    • 5000 VRMS -Isolierung für 1 Minute per UL1577
  • 20-Pin-Wide-Body-SOIC-Gehäuse
  • Betriebstemperaturbereich: -40°C bis +125°C

Applikationen

  • Stromzähler (Gewerbegebäude und Wohnhäuser)
  • Leistungsschalter
  • EV-Ladestationen
  • Batteriemanagementsysteme

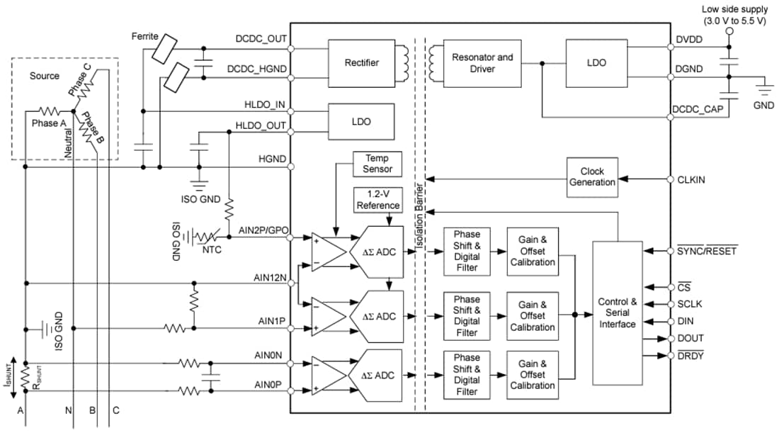
Funktionales Blockdiagramm

Blockdiagramm - Texas Instruments AMC131M03/AMC131M03-Q1 24-Bit-Delta-Sigma-ADC
Veröffentlichungsdatum: 2023-12-18 | Aktualisiert: 2024-01-04