Texas Instruments BQ25185 Linearer Batterielade-IC
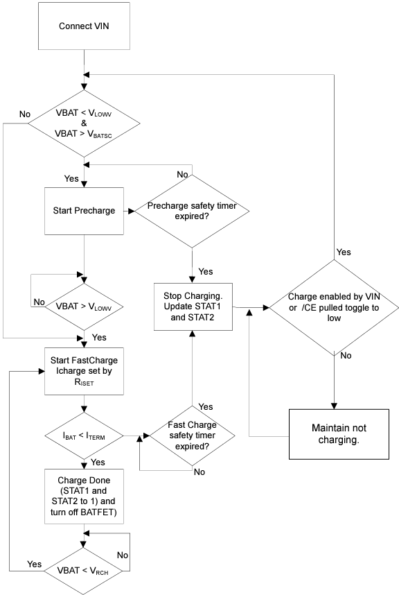
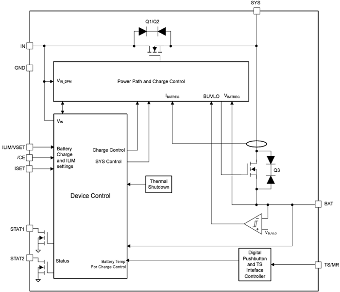
Der lineare Batterielade-IC BQ25185 von Texas Instruments ist ein eigenständiges lineares 1-Zellen-1-A-Batterieladegerät mit Strompfad und Solareingangsunterstützung. Dieser lineare Ladegerät-IC konzentriert sich auf eine kleine Lösungsgröße und einen niedrigen Ruhestrom, um die Batterielebensdauer zu verlängern. Das Ladegerät BQ25185 verfügt über einen Betriebseingangsspannungsbereich von 3 V bis 18 V, eine 25-V-tolerante Eingangsspannung, bis zu 3,125 A Systemlasten und eine geregelte Systemspannung (SYS) von 4,5 V. Der BQ25185 -Lade-IC verwendet ein Standard-Li-Ion- oder LiFePO4 Ladeprofil mit drei Phasen: Vorladung, konstanter Strom und konstante Spannung. Dieser Batterielade-IC ist in einem kleinen bleifreien Gehäuse mit einem Wärmeleitpad erhältlich, das eine thermische Leistung bietet. Zu den typischen Anwendungen gehören TWS-Headsets und Ladeetuis, Datenbrillen, AR, VR, tragbare Geräte, Einzelhandelsautomatisierung und -zahlung sowie Gebäudeautomation.Merkmale
- 1A lineares Batterieladegerät:
- Betriebsbereich der Eingangsspannung: 3 V bis 18 V
- Tolerante Eingangsspannung: 25 V
- Programmierbarer Betrieb mit externem Widerstand:
- ILIM/VSET stellt die Batterieregelspannung auf 3,6 V, 3,65 V, 4,02 V, 4,1 V, 4,2 V, 4,35 V oder 4,4 V ein
- ILIM/VSET legt die Eingangsstrombegrenzung auf 100 mA, 500 mA oder 1100 mA fest
- ISET zum Einstellen des Ladestroms von 5 mA bis 1 A
- Unterstützung für Li-Ion-, Li-Poly- und LiFePO-4 Chemikalien
- 115-mΩ-Batterie-FET-EIN-Widerstand
- Bis zu 3,125 A Entladestrom zur Unterstützung hoher Systemlasten
- Power-Path-Management zur Stromversorgung des Systems und zum Laden des Akkus:
- Geregelte Systemspannung (SYS) bei 4,5 V
- Konfigurierbare Eingangsstrombegrenzung
- USB-Suspend-Modus unterstützt
- Dynamic Power Management (VINDPM) der Batterieverfolgung der Eingangsspannung für hochohmige Eingangsquellen
- Das dynamische Energiepfadmanagement optimiert das Laden über schwache Adapter
- Sehr niedriger Ruhestrom:
- 4 µA im reinen Batteriemodus
- 30 µA Eingangsadapter Iq im Ruhemodus
- 3,2 µA Batterieentladestrom im Werksmodus
- Integrierter Fehlerschutz:
- Eingangsüberspannungsschutz (VIN_OVP)
- Batterieunterspannungsschutz (BUVLO)
- Batteriekurzschlussschutz (BATSC)
- Batterieüberstromschutz (BATOCP)
- Eingangsstrombegrenzungsschutz (ILIM)
- Thermische Regelung (TREG) und thermische Abschaltung (TSHUT)
- Batterie-Thermofehlerschutz (TS)
- Fehler des Sicherheitstimers
- ISET- und ILIM/VSET-Pin-Kurzschluss-/Unterbrechungsschutz
Applikationen
- TWS-Kopfhörer und Ladegehäuse
- Smart-Brillen, AR und VR
- Tragbare Geräte wie Smartwatches
- Automatisierung und Zahlung im Einzelhandel
- Gebäudeautomation
Anwendungsschaltplan
Funktionales Blockdiagramm
Flussdiagramm des Ladegeräts
Veröffentlichungsdatum: 2024-01-03
| Aktualisiert: 2024-01-29
