Texas Instruments BQ25758 Bidirektionaler Auf-/Abwärtsregler
Der bidirektionale Abwärts/Aufwärtsregler BQ25758 von Texas Instruments bietet eine hocheffiziente Leistungsumwandlung über einen breiten Spannungsbereich mit CC-CV-Steuerung am Ausgang. Der bidirektionale Schaltmodus-Auf-/Abwärtswandler BQ25758 mit großer Eingangsspannung enthält die gesamte Schleifenkompensation für den Wandler und bietet eine einfache Verwendung in einer Lösung mit hoher Dichte. Im Rückwärtsmodus zieht der BQ25758 Strom aus der Ausgangsversorgung und regelt die Eingangsanschlussspannung mit einer zusätzlichen Konstantstromschleife zum Schutz.Der BQ25758 bidirektionale Auf-/Abwärtsregler von TI verfügt über einen hostgesteuerten I2C-Modus und unterstützt programmierbare Hardwaregrenzen. Ein einzelner Widerstand auf den IIN - und IOUT -Pins kann Eingangs- und Ausgangsstromregelungsziele festlegen. Standardmäßig ist der BQ25758 zur Versorgung des 5-V-Ausgangs programmiert und die Zielausgangsspannung kann über dieVOUT_REG-Register-Bitsangepasst werden.
Merkmale
- Großer Eingangsspannungsbereich von 4,2 V bis 60 V
- Synchroner Auf-/Abwärtsregler mit NFET-Treibern
- Schaltfrequenz anpassbar von 200 kHz bis 600 kHz
- Optionale Synchronisation mit einer externen Uhr
- Integrierte Schleifenkompensation mit Soft-Start
- Wählbarer PFM-Betrieb zur Verbesserung des Wirkungsgrads bei geringer Last (PFM oder erzwungene PWM-Option)
- Optionaler Gate-Treiber-Versorgungseingang für einen optimierten Wirkungsgrad
- Unterstützt einen erweiterten USB-PD-Leistungsbereich (EPR) in Vorwärts- und Rückstromrichtung
- Einstellbare Eingangs- und Ausgangsspannungsregelung von 3,3 V bis 60 V mit 20 mV/Schritt
- Einstellbare Eingangs- und Ausgangsstromregelung (RAC _ SNS, ROUT_SNS) von 400 mA bis 20 A mit 50 mA/Schritt mit 5 mΩ Widerstand
- Bypass-Modus für höchsten Wirkungsgrad mit VOUT = VAC
- Integrierter 16-Bit-ADC für Spannungs-, Strom- und Temperaturüberwachung
- Nur-Abwärtsmodus
- Hohe Genauigkeit
- ±2 % Ausgangsspannungsregelung
- ±3 % Ausgangsstromregelung
- ±2 % Eingangsspannungsregelung
- ±3 % Eingangsstromregelung
- I2C-gesteuert für eine optimale Systemleistung mit einer widerstandsprogrammierbaren Option
- Hardware-einstellbare Eingangs- und Ausgangsstrombegrenzungen
- Integration mit hoher Sicherheit
- Einstellbarer Eingangs-Überspannungs- und Unterspannungsschutz
- Ausgangsüberspannungs- und Überstromschutz
- Übertemperaturschutz
- Statusausgänge
- Aktueller Status des Adapters (PG)
- Schalter-Betriebsstatus (STAT)
- 36-poliges 5mm × 6mm QFN-Gehäuse
Applikationen
- Docking-Station
- Monitor
- USB-PD EPR (Erweiterter Leistungsbereich)
- Abwärts-/Aufwärts- und Nur-Abwärtsbetrieb
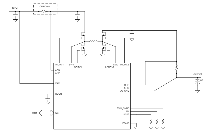
Vereinfachtes Schaltbild
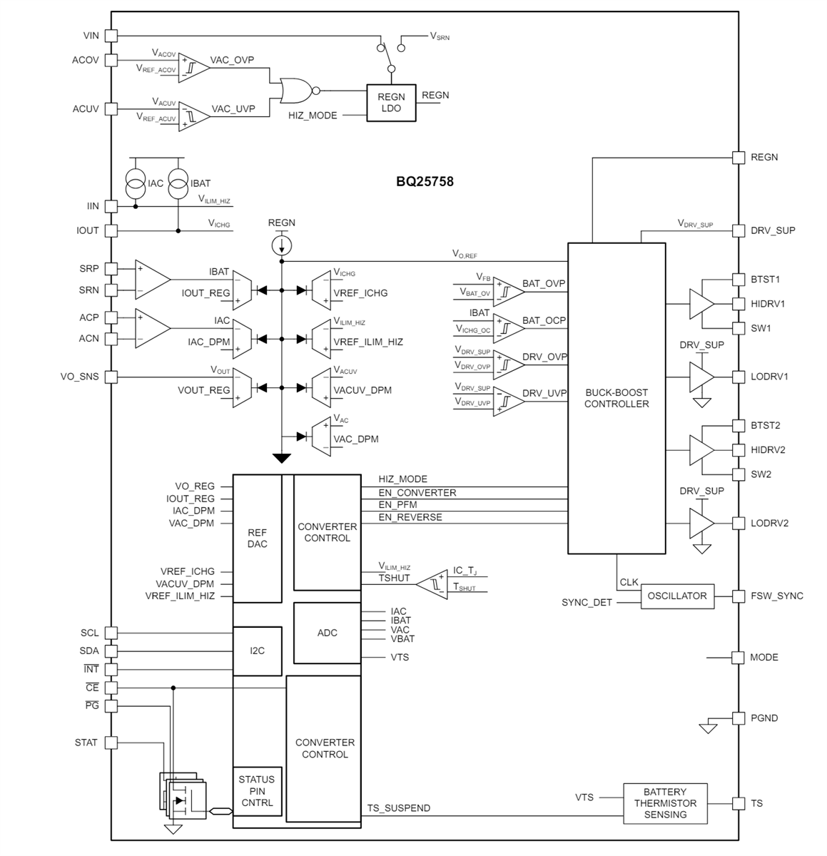
Funktionales Blockdiagramm
Veröffentlichungsdatum: 2024-05-13
| Aktualisiert: 2025-07-24
