Texas Instruments BQ27Z561-R1 Batteriestandanzeigen
Texas Instruments BQ27Z561-R1 Batteriestandanzeigen sind hochintegrierte, genaue Einzellen-Füllstandsanzeigen. Die BQ27Z561-R1 ist mit einem Flash-programmierbaren CPU mit reduziertem Befehlssatz (RISC) und einer SHA-256-Authentifizierung für Li-Ionen- und Li-Polymer-Akkus ausgestattet. Die Einzellenfunktion enthält parallele Zellen für eine erhöhte Leistung.Die BQ27Z561-R1 Füllstandsanzeigen kommunizieren mithilfe von I2C-kompatiblen und HDQ-Eindraht-Schnittstellen. Darüber hinaus enthält das Bauteil mehrere Hauptfunktionen, die genaue Ladezustandsanzeige-Applikationen unterstützen können. Integrierte interne und externe Optionen für Temperatursensorfunktionen ermöglichen die Messung der System- und Batterietemperatur. Der integrierte SHA-256-Funktionsumfang ermöglicht eine sichere Identifizierung zwischen Systemen und Akkus.
Die BQ27Z561-R1 meldet dem System mithilfe der Unterbrechungs- und BTP-Funktionen, wenn eine spezieller Ladezustand (State-of-Charge, SOC), eine Spannungs- oder eine Temperaturbedingung auftreten. Ein Niederspannungsbetrieb ermöglicht dem System die Überwachung der Batterie, sogar im tiefentladenen Zustand. In Situationen mit geringer Aktivität kann das Bauteil auf den Niedrigstrom-Coulomb-Zählungsmodus (CC-Modus) eingestellt werden, was dem Bauteil ermöglicht, die Coulomb-Zählung fortzusetzen, während der Betriebsstrom deutlich reduziert wird.
Merkmale
- Unterstützt Strommesswiderstände bis herunter auf 1 mΩ
- Unterstützt eine Messung auf der Akku-Seite, einschließlich verbesserter Batteriezustand-Algorithmus (SOH).
- Schnelle QMAX-Aktualisierungsoption basierend auf prognostizierter OCV
- Responder mit SHA-256-Authentifizierung für erhöhte Sicherheit des Akkus
- Hochentwickelte Lade-Algorithmen:
- JEITA
- Verbessertes Laden
- RSOC-Lade-Kompensationsoption
- Zwei unabhängige ADCs
- Unterstützung für gleichzeitige Strom- und Spannungsabtastung
- Hochgenauer Coulomb-Zähler mit Eingangs-Offset-Fehler von <1 µV (typisch)
- Niederspannungs-Betrieb (2 V)
- Große Auswahl an Stromapplikationen (1 mA bis >5 A)
- Aktiver hoher oder niedriger Impuls- oder Pegel-Interrupt-Pin
- Unterstützt Batterieabschaltpunkt (BTP)
- Modi für reduzierten Stromverbrauch (typische Betriebsbereichsbedingungen für Akkus)
- Typischer SLEEP-Modus: <11 µA
- Typischer DEEP-SLEEP-Modus: <9 µA
- Typischer OFF-Modus: <1,9 µA
- Interne und externe Temperatursensorfunktionen
- Diagnostische Lebensdauer-Datenüberwachung und Blackbox-Recorder
- 400 kHz I2C-Bus-Kommunikationsschnittstelle für Hochgeschwindigkeits-Programmierung und Datenzugriff
- HDQ-Ein-Draht für die Kommunikation mit Host
- Kompaktes 12-Pin-DSBGA-Gehäuse (YPH)
Applikationen
- Smartphones
- Digitale Foto- und Videokameras
- Tablet-Computer
- Tragbare und Wearable-Gesundheitsmessgeräte und tragbare Audiobauteile
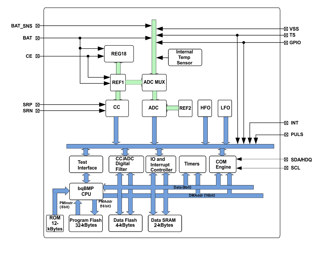
Blockdiagramm
