Texas Instruments bq27Z746 Impedance Track™ Batteriestandsanzeige
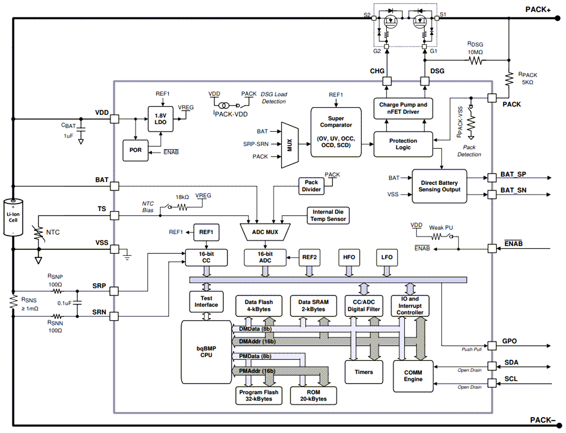
Der Texas Instruments bq27Z746 Impedance Track™ Batteriestandsanzeige- und Schutz-IC ist eine hochintegrierte, genaue Einzellen-Batteriestandsanzeige und Schutzlösung. Das bq27Z746 Bauteil bietet eine vollständig integrierte Paket-basierte Lösung mit einem Flash-programmierbaren, benutzerdefinierten, reduzierten Befehlssatz-CPU (RISC), Sicherheitsschutz, Differential-Batteriemess-Analogausgang und Authentifizierung für Einzellen-Li-Ion- und Li-Polymer-Akkus.Die bq27Z746 Füllstandsanzeige von Texas Instruments kommuniziert über eine I2C-kompatible Schnittstelle und umfasst den extrem stromsparenden BQBMP-Prozessor von TI, hochpräzise analoge Messfunktionen und einen integrierten Flash-Speicher. Darüber hinaus sind darin ein n-Kanal-High-Side-FET-Antrieb und ein Transformationsresponder für die SHA-2-Authentifizierung enthalten, womit das Bauteil zu einer vollständigen, leistungsstarken Batteriemanagementlösung wird.
Merkmale
- Integrierte Batteriestandsanzeige und Schutzvorrichtung
- Flash-programmierbare benutzerdefinierte BQBMP-RISC-CPU
- SHA-256-Authentifizierung
- I2C-Bus-Kommunikationsschnittstelle von 400 kHz
- Niederspannungsbetrieb (2,0 V)
- Zwei unabhängige Präzisions-16-Bit-ADCs
- Coulomb-Zählungs-ADC mit Strommesswiderstand bis hinunter zu 1 mΩ
- Spannungs-ADC für Zellenspannung und externe und interne Temperatursensoren
- Batteriestandsanzeige basierend auf der patentierten Impedance Track™-Technologie
- Modelliert die Batterieentladungskurve für genaue Vorhersage der Zeit bis zur Entladung
- Passt sich automatisch an alterungs-, temperatur- und ratenbedingte Auswirkungen auf die Batterie an
- Batterie-Kelvin misst differenzielle analoge Ausgangspins mit integriertem Schutz
- High-Side- oder Low-Side-Strommessung
- Programmierbarer Hardware-basierter Schutz
- High-Side-FET-Gate-Treiber
- Überspannung und Unterspannung (OVP und UVP)
- Überstrom beim Entladen und Überstrom beim Laden (OCD und OCC)
- Kurzschluss beim Entladen (SCD)
- Firmware-basierte Übertemperatur (OT)
- Reduzierte typische Leistungsmodi
- SLEEP-Modus (20 µA)
- SHIP-Modus (10 µA)
- SHELF-Modus (5 µA)
- SHUTDOWN-Modus (0,2 µA)
- Extrem kompaktes 15-Ball-NanoFree™-DSBGA
Applikationen
- Alle Endgeräte mit wiederaufladbaren 1-reihigen Akkus
- Smartphones
- Tablets
- Kameras
- Tragbare Wearables/Medizintechnik
- Handheld-Industriegeräte
Funktionales Blockdiagramm
Veröffentlichungsdatum: 2022-04-04
| Aktualisiert: 2022-06-09
