Texas Instruments CD74HC4094/CD74HCT4094 Schiebe- und Speicher-Bus-Register

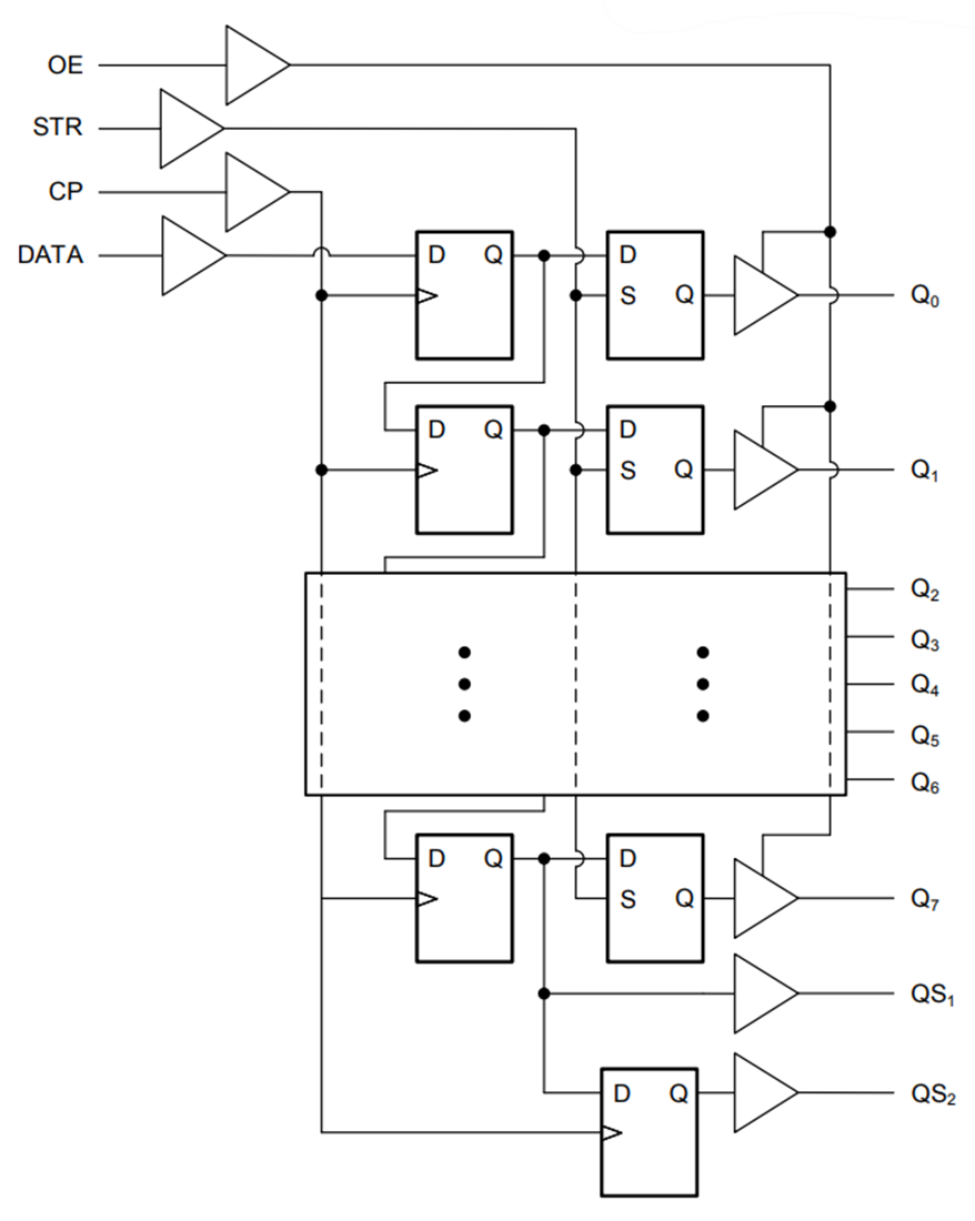
Die 8-stufigen Shift-and-Store-Busregister CD74HC4094/CD74HCT4094 von Texas Instruments sind 8-stufige serielle Schieberegister mit einem Speicherriegel an jeder Stufe zum Stroboskopieren von Daten vom seriellen Eingang zu parallelen gepufferten Tri-State-Ausgängen. Die parallelen Ausgänge können direkt mit gängigen Busleitungen verbunden werden. Die Daten werden bei positiven Taktübergängen verschoben. Wenn der Stroboskop-Eingang hoch ist, werden alle CD74HC4094 /CD74HCT4094-Daten von Texas Instruments in das Speicherregister übertragen. Wenn das Ausgangsfreigabesignal hoch ist, erscheinen die Daten im Speicherregister in den Ausgängen.

Merkmale

  • Gepufferte Eingänge
  • Separate serielle Ausgänge synchron mit positiven und negativen Taktflanken für die Kaskadierung
  • Fanout (über Temperaturbereich)
    • Standardausgänge: 10 LSTTL-Lasten
    • Bus-Treiberausgänge: 15 LSTTL-Lasten
  • Großer Betriebstemperaturbereich: -55 °C bis 125 °C
  • Ausgeglichene Laufzeitverzögerungen und Übergangszeiten
  • Signifikante Leistungsreduzierung im Vergleich zu LSTTL Logik-ICs
  • HC-Typen
    • 2 V bis 6 V Betrieb
    • Hohe Störfestigkeit:NIL = 30 %,NIH = 30 % vonVCC beiVCC = 5 V
  • HCT-Typen
    • 4,5 V bis 5,5 V Betrieb
    • Direkte LSTTL-Eingangslogikkompatibilität,VIL = 0,8 V (max.), VIH = 2 V (min.)
    • CMOS-Eingangskompatibilität, IL ≤ 1 μA beiVOL,VOH

Funktionales Blockdiagramm

Blockdiagramm - Texas Instruments CD74HC4094/CD74HCT4094 Schiebe- und Speicher-Bus-Register
Veröffentlichungsdatum: 2024-12-09 | Aktualisiert: 2024-12-13