Texas Instruments Texas Instruments DAC3482EVM Entwicklungsmodul (EVM)
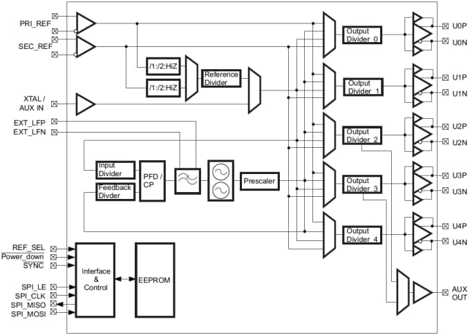
Das Texas Instruments DAC3482EVM Entwicklungsmodul (EVM) ist eine Leiterplatte, die Entwicklern die Evaluierung der Leistung des 16-Bit, 1,25GSPS DAC3482 Zweikanal-Digital-Analog-Wandlers (DAC) mit extrem geringem Stromverbrauch und einem 16-Bit oder 8-Bit breiten DDR-LVDS-Dateneingang, integrierten 2x/4x/8x/16x Interpolierungsfilter, 32-Bit NCO und PLL und außergewöhnlicher Linearität bei hohen IFS, ermöglicht. Dieses Entwicklungsmodul bietet eine flexible Umgebung zum Testen des DAC3482 unter einer Vielzahl von Takt- und Dateneingangs- sowie ZF-Ausgangsbedingungen. Für eine benutzerfreundliche Verwendung als vollständige ZF-Transmitterlösung enthält das DAC34842EVM den CDCE62005 Taktgenerator/Jitter-Reiniger für die Takterzeugung des DAC3482. Neben der Bereitstellung eine hochwertigen DAC-Abtastrate mit geringem Jitter an den DAC3482, liefert der CDCE62005 außerdem FPGA-Takte als FPGA-Referenztakte an das TSW1400EVM (oder TSW3100EVM).Merkmale
- Superior performance
- 550fs rms typical low noise clock generator (10kHz to 20MHz integration bandwidth), FC = 100MHz
- 2.6ps rms typical low noise jitter cleaner (10kHz to 20MHz integration bandwidth), FC = 100MHz
- Flexible frequency planning
- 5x fully configurable outputs: LVPECL, LVDS, LVCMOS, and special high swing output modes
- Unique dual-VCO architecture supports a wide 1.750GHz to 2.356GHz tuning range
- Output frequency ranges
- 4.25MHz to 1.175GHz in synthesizer mode
- Up to 1.5GHz in fan-out mode
- Independent coarse skew control on all outputs
- High flexibility
- Integrated EEPROM determines device configuration at power-up
- Smart input multiplexer automatically switches between one of three reference inputs
- 7mm × 7mm, 48-pin VQFN package (RGZ)
- -40°C to +85°C temperature range
Applikationen
- Wireless infrastructure
- Switches and routers
- Medical electronics
- Military and aerospace
- Industrial
Technische Daten
- -0.5V to 4.6V supply voltage range
- ±20mA input current
- ESD ratings
- 2000V maximum human body model
- 750V maximum charged device model
- ±50mA output current for LVPECL/LVCMOS outputs
- 3pF input capacitance
- 50Ω ESR
- 10-year data retention
Functional Block Diagram
Veröffentlichungsdatum: 2016-01-19
| Aktualisiert: 2022-03-11
