Texas Instruments DAC53xAxW Stromquellen-DACs
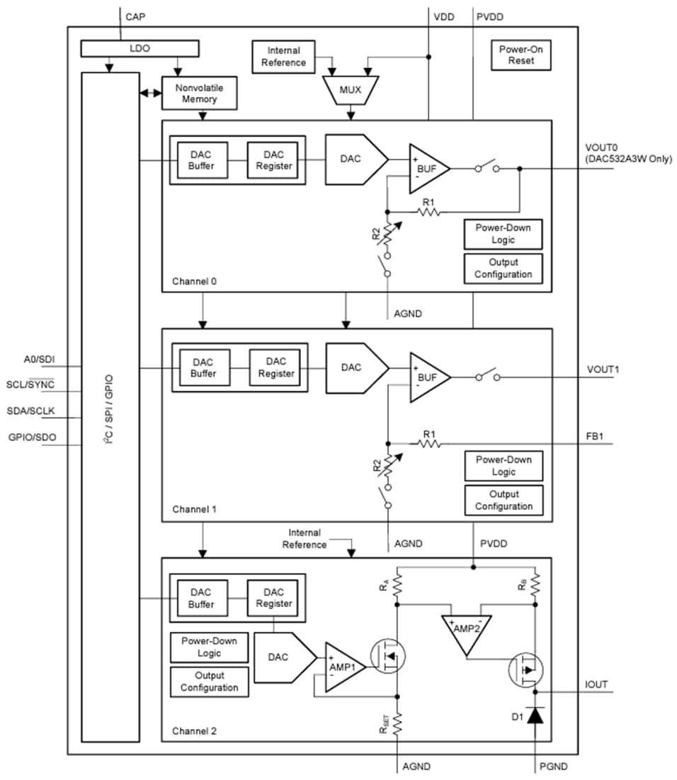
Texas Instruments DAC53xAxW Stromquellen-Digital-Analog-Wandler (DACs) sind gepufferte 10-Bit-Smart-Digital-Analog-Wandler mit Spannungs- und Stromausgang. Die DAC53xAxW Bauteile unterstützen eine Stromquelle, die für die lineare Steuerung von Laserdioden und Miniaturmotoren verwendet werden kann. Diese Bauteile unterstützen den Hi-Z-Herunterschaltmodus und den Hi-Z-Ausgang während der Ausschaltbedingungen für die Spannungsausgabe. Kanal 1 kann als DAC mit Spannungsausgang oder als Komparator konfiguriert werden. Die DACs mit Spannungsausgang bieten eine Force-Sense-Option zur Verwendung als programmierbarer Komparator und Stromsenke. Die Multifunktions-GPIO, die Funktionsgenerierung und der programmierbare nichtflüchtige Speicher (NVM) ermöglichen diese intelligenten DACs für prozessorlose Anwendungen und die Wiederverwendung von Designs. Diese Geräte erkennen automatisch SPI- oder I2C-Schnittstellen und enthalten eine interne Referenz.Der Funktionssatz des DAC53xAxW von Texas Instruments in Kombination mit dem kleinen Gehäuse und dem geringen Stromverbrauch machen diese Smart-DACs zu einer ausgezeichneten Wahl für Applikationen wie z. B. die Leistungssteuerung von Laserdioden und die Steuerung des Voice-Coil-Motors (VCM) in Autofokus- und Zoom-Applikationen von Kameraobjektiven.
Merkmale
- Stromquellen-DAC
- 1 LSB DNL
- Zwei Bereiche (300 mA und 220 mA)
- Spannungsreserve: 770 mV
- Zwei ( nur DAC532A3W ) DACs mit Spannungsausgang
- 1 LSB DNL
- Gains von 1×, 1,5×, 2×, 3× und 4×
- Programmierbarer Komparatormodus auf Kanal 1
- Ausgang mit hoher Impedanz, wenn VDD ausgeschaltet ist
- Hochohmiger und resistiver Pull-Down-Herunterfahrmodus
- 50 MHz SPI-kompatible Schnittstelle
- Automatische Erkennung von I2C oder SPI unter 1,62 V VIH mit VDD = 5,5 V
- Mehrzweck-Eingang/Ausgang (GPIO), konfigurierbar für mehrere Funktionen
- Vordefinierte Wellenformerzeugung: Sinus, Kosinus, dreieckig, Sägezahn
- Benutzerprogrammierbarer nichtflüchtiger Speicher (NVM)
- Interne oder Stromversorgung als Referenz
- Umfangreicher Betriebsbereich
- 3 V bis 5,5 V Stromversorgung
- Temperatur: -40 ˚C bis +125 ˚C
Applikationen
- Tablet (Multimedia)
- Chromebook und WOA
- Dashboard-Kamera
- Endoskop
- Analoge Überwachungskamera
- Drahtlose Sicherheitskamera
Funktionales Blockdiagramm
Veröffentlichungsdatum: 2024-03-13
| Aktualisiert: 2024-03-21
