Texas Instruments DRV2510-Q1 Haptischer Automobiltreiber
Der haptische Automobiltreiber DRV2511-Q1 von Texas Instruments ist ein haptischer Hochstromtreiber, der speziell für induktive Lasten entwickelt wurde, wie z. B. Magnete und Schwingspulen. Die Ausgangsstufe besteht aus einer vollständigen H-Brücke, die einen Spitzenstrom von 3 A bereitstellen kann. Der DRV2510-Q1 bietet Schutzfunktionen wie eine Unterspannungssperre, einen Überstromschutz und einen Überhitzungsschutz. Das DRV2510-Q1-Gerät ist nach AEC-Q100 Automobil-qualifiziert. Der integrierte Lastabwurfschutz reduziert die Kosten und die Größe für externe Spannungsklemmen und die integrierte Lastdiagnose meldet den Status des Betätigers über die digitale Schnittstelle.Merkmale
- Großer Betriebsspannungsbereich (4,5 V bis 18 V)
- Integrierter Lastabwurfschutz (40 V)
- Hochstromtreiber (3 A Spitze)
- Niedriger RDS(on), vollständiger H-Brücken-Ausgang
- Integrierte Diagnostik
- Integrierter Fehlerschutz
- 40 V Lastabwurfschutz gemäß ISO-7637-2
- Kurzschlussschutz
- Überhitzungsschutz
- Unter- und Überspannungsschutz
- Störungsmeldung
- Analoger Eingang
- I2C-Kommunikation
- Dedizierter Interrupt-Pin
- AEC-Q100 der Klasse 2 qualifiziert
- -40 ºC bis +125 ºC Umgebungsbetriebstemperaturbereich
- ISO9000: 2002 TS16949 zertifiziert
Applikationen
- Elektromagnetischer Aktuatortreiber
- Schwingspule
- Magnetspulen
- Ersatz für mechanische Taste
- Haptische Automobil-Applikationen
- Infotainment
- Mittelkonsole
- Lenkrad
- Türpanel
- Sitze
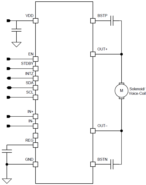
Vereinfachter Schaltplan
Veröffentlichungsdatum: 2017-03-06
| Aktualisiert: 2025-03-05
