Texas Instruments DRV2901 PWM-Eingangs-Piezo-Transducer-Treiber
Der Piezo-Treiber DRV2901 von Texas Instruments mit PWM-Eingang ist ein hochleistungsfähiger Wandlertreiber für Linsenreiniger. Dieses System benötigt nur einen einfachen passiven LC-Demodulationsfilter, um eine hochwertige Verstärkung mit hohem Wirkungsgrad und bewährter EMI-Konformität zu liefern. Dieses Bauteil benötigt zwei Netzteile, bei 12 V für GVDD und VDD und 12 V bis 48 V für PVDD. Der DRV2901 benötigt aufgrund eines internen Einschalt-Resets keine Einschaltsequenzierung.Der DRV2901 von Texas Instruments verfügt über ein innovatives, auf dem Chip integriertes Schutzsystem, das den Baustein gegen verschiedene Fehlerbedingungen absichert, die das System beschädigen könnten. Diese Schutzmaßnahmen sind Kurzschlussschutz, Überstromschutz, Unterspannungsschutz und Übertemperaturschutz. Der DRV2901 verfügt über eine proprietäre Strombegrenzungsschaltung, die die Möglichkeit einer Abschaltung des Geräts bei Hochspannungstransienten reduziert.
Merkmale
- Breiter Versorgungsspannungsbetrieb von 12 V bis 48 V
- Unterstützt eine Spitzenleistung von bis zu 50 W
- Integrierte Selbstschutz Schaltungen, einschließlich
- Kurzschluss
- Überstrom
- Unterspannung
- Übertemperatur
- Hocheffiziente Leistungsstufe mit 90 mΩ Ausgangs-MOSFETs
- Power-on-reset für Schutz beim Einschalten ohne Sequenzierung der Stromversorgung
- 44-pin-HTSSOP-Gehäuse (DDV)
- Betriebstemperaturbereich: -40 °C bis +125 °C
Applikationen
- Wärmebildkameras
- Verkehrsüberwachungskameras
- Drohnen-Vision
- Machine-Vision-Kameras
- Drahtlose Sicherheitskameras
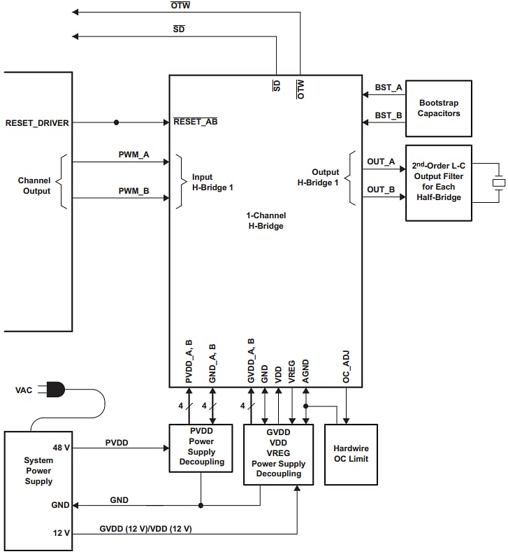
Funktionales Blockdiagramm
Veröffentlichungsdatum: 2023-01-19
| Aktualisiert: 2024-07-11
