Texas Instruments 8-Kanal-Low-Side-Treiber DRV81008-Q1
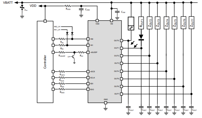
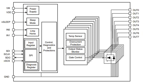
Der 8-Kanal-Low-Side-Treiber DRV81008-Q1 von Texas Instruments unterstützt 330 mA Strom pro Ausgang, wenn alle acht Kanäle gleichzeitig eingeschaltet sind. Dieser Treiber unterstützt auch den Notlaufmodus für eine ausfallsichere Aktivierung. Der Treiber DRV81008-Q1 besteht aus zwei parallelen Eingängen mit Mapping-Funktion. Der Treiber bietet eine Lastdiagnose mit offener Last (im AUS-Zustand) und eine Kurzschlusserkennung. Der Treiber DRV81008-Q1 verfügt über eine minimale Drain-Source-Klemmenspannung von 42 V, eine 16-Bit-SPI-Schnittstelle für die Diagnose, einen integrierten Batterie-Umpolungsschutz und einen Schutz vor elektrostatischer Entladung (ESD). Dieser Treiber ist für Fahrzeuganwendungen geeignet. Der Treiber DRV81008-Q1 wird in Applikationen wie HLK-Steuerung, Zonensteuerungsmodulen (ZCMs), Fahrzeugsteuergeräten (VCUs) und pneumatischen Ventilen eingesetzt.Merkmale
- Analogversorgungsspannung von 3 V bis 40 V:
- Startleistung von bis zu 3 V
- Unterstützt den Automotive-Standard LV124
- 42 V minimale Drain-Source-Klemmenspannung
- 2 parallele Eingänge mit Mapping-Funktion
- 700 mΩ typischer RDS(ON) bei 12 V, 25 °C
- 330 mA Strom pro Ausgang bei 85 °C, wenn alle Kanäle eingeschaltet sind
- Unterstützt mehrere Schutzfunktionen:
- Integrierter Batterie-Umpolungsschutz
- Verriegelte Überstrom-Abschaltung
- Verriegelte thermische Abschaltung
- Schutz vor Kurzschluss nach Masse und Batterie
- Stabiles Verhalten bei Unterspannungsbedingungen
- Schutz vor Batterieausfall und Erdungsverlust
- Schutz vor elektrostatischen Entladungen (ESD)
- Digitale Versorgungsspannung von 3 V bis 5,5 V
- Kompatibel mit 3,3-V- und 5-V-Mikrocontrollern
- 16-Bit-SPI-Schnittstelle für Steuerung und Diagnose:
- Daisy-Chain-Fähigkeit
- Kompatibel mit 8-Bit-Geräten
- Unterstützt Diagnosefunktionen:
- Diagnoseinformationen über SPI-Register
- Überlastungserkennung im eingeschalteten Zustand
- Erkennung offener Lasten im ausgeschalteten Zustand
- Überwachung des Eingangs- und Ausgangsstatus
Applikationen
- Zonensteuerungsmodule (ZCMs)
- HLK-Steuerung
- Fahrzeugkarosserie-Steuerungsmodule (BCM)
- Automotive-Beleuchtung
- Fahrzeugsteuergeräte (VCUs)
- Speicherprogrammierbare Steuerungen (PLCs)
- Pneumatische Ventile
- Relais-Treiber für allgemeine Zwecke
- Benzin- und Dieselmotoren
Funktionales Blockdiagramm
Applikations-Schaltplan-Diagramm
Weitere Ressourcen
Veröffentlichungsdatum: 2025-01-21
| Aktualisiert: 2025-05-06
