Texas Instruments DRV81080-Q1 Achtkanal-High-Side-Treiber

Der Texas Instruments DRV81080-Q1 Achtkanal-High-Side-Treiber verfügt über Schutz- und Diagnosefunktionen. Er ist zur Steuerung von Relais, LEDs, Lampen und Motoren ausgelegt. Eine serielle Peripherieschnittstelle (SPI) mit einer Verkettung steuert und diagnostiziert die Lasten und das Bauteil. Zwei Eingangspins mit Mapping-Funktionsumfang ermöglichen eine direkte Steuerung der Ausgänge. Das Bauteil unterstützt einen Notlaufbetrieb für eine ausfallsichere Aktivierung. Integrierte PWM-Generatoren ermöglichen die Ansteuerung von LEDs und der Glühlampenmodus ermöglicht die Ansteuerung von Lasten mit hoher Kapazität. Die Klemmschaltungen an jedem Ausgang verteilen die Energie beim Ausschalten von induktiven Lasten.

Das Bauteil unterstützt verschiedene Schutzfunktionen, wie z. B. Unterspannungsschutz, Überspannungsschutz, Kurzschluss-Sicherung und offene Lasterkennung. Ein hohes Maß an Integration mit Embedded-Schutz- und Diagnosefunktionen machen den DRV81080-Q1 von Texas Instruments zu einer ausgezeichneten Wahl für Fahrzeugkarosserie- und Antriebsstrang-Applikationen.

Merkmale

  • AEC-Q100-qualifiziert für Fahrzeuganwendungen mit einer Temperaturklasse 1 von -40 °C bis +125 °C, TA
  • Funktionssicherheitsfähig mit Dokumentation zur Unterstützung des Designs von funktionalen Sicherheitsfunktionen
  • Analoge Versorgungsspannung: 3 V bis 40 V
    • Kaltstartleistung bis hinunter zu 3 V
    • Unterstützt den LV124 Automotive-Standard
  • Digitale Versorgungsspannung von 3 V bis 5,5 V, die mit den Mikrocontrollern von 3,3 V und 5 V kompatibel ist
  • Maximale Quelle-zu-Masse-Klemmspannung: -18 V
  • Zwei unabhängige Batterieeinspeisungen (VM1, VM2), wobei jeder Pin der Drain von vier High-Side-Kanälen ist
  • RDS(ON) von 700 mΩ (typisch) bei 12 V, 25 °C
  • Strom von 330 mA pro Ausgang bei 85 °C, mit allen Kanälen eingeschaltet
  • Zwei parallelgeschaltete Eingänge mit Mapping-Funktionsumfang
  • Ausfallsichere Aktivierung im Notlaufmodus mit nSLEEP und IN-Pins
  • Zwei unabhängige interne PWM-Generatoren
  • Glühlampen-Einschaltmodus (BIM) zur Ansteuerung von Lampen für 2 W/5 W Lampen und andere kapazitive Lasten
  • Strom sparender Schlafmodus, 3 µA für TJ ≤ 85 °C
  • 16-Bit-SPI für Steuerung und Diagnose
    • Verkettungsfähigkeit
    • Kompatibel mit 8-Bit-SPI-Bauteilen
  • Unterstützt verschiedene Schutzfunktionen
    • Verpolungsschutz für Batterien
    • Kurzschluss-zu-Masse-Sicherung und Batterieschutz
    • Stabiles Verhalten bei Unterspannungsbedingungen
    • Überstrom-Latch-OFF
    • Übertemperaturwarnung
    • Thermische Abschaltverriegelung AUS
    • Überspannungsschutz
    • Batterieverlust und Erdungsschutz
    • Schutz gegen elektrostatische Entladungen (ESD)
  • Unterstützt mehrere Diagnosefunktionen
    • Diagnoseinformationen über SPI-Register
    • Überlasterkennung im EIN-Zustand
    • Erkennung von offenen Lasten in EIN- und AUS-Zuständen
    • Eingangs- und Ausgangsstatusüberwachung

Applikationen

  • Zonensteuerungsmodul (ZCM)
  • Fahrzeugkarosseriesteuerungsmodul (BCM)
  • Fahrzeugbeleuchtung
  • Benzin- und Dieselmotoren
  • Fahrzeugsteuereinheit (VCU)
  • Speicherprogrammierbare Steuerung (SPS)

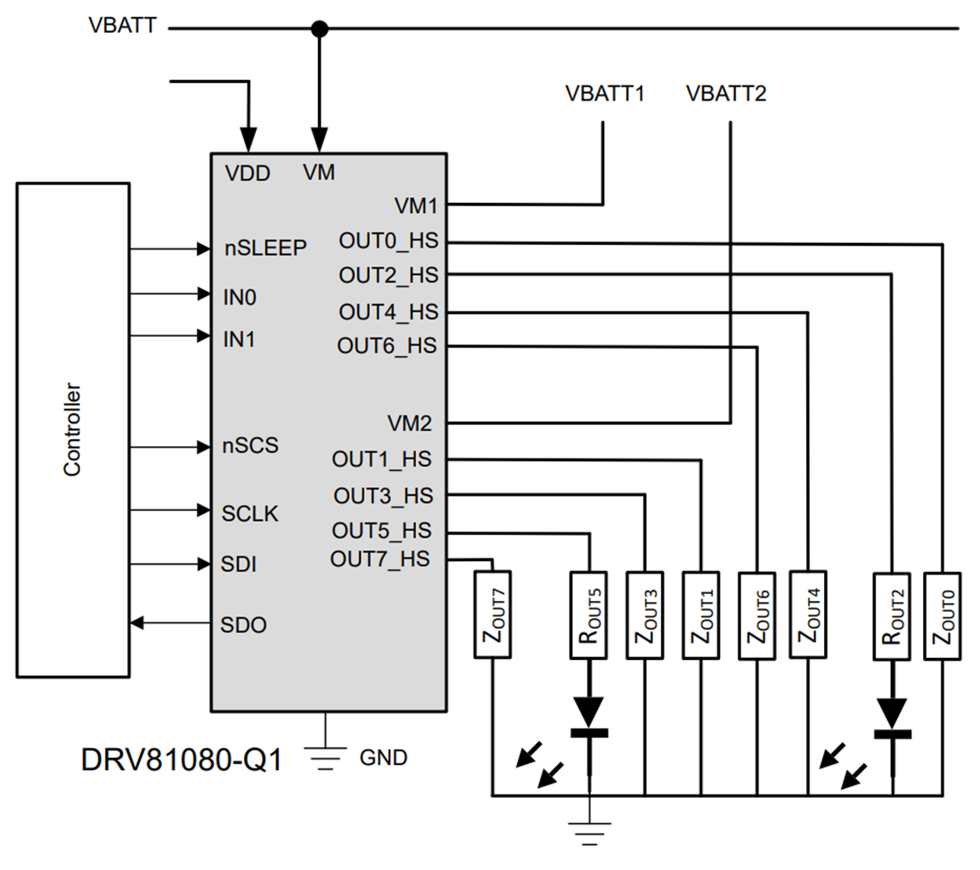
Vereinfachtes Schaltschema

Schaltplan - Texas Instruments DRV81080-Q1 Achtkanal-High-Side-Treiber
Veröffentlichungsdatum: 2025-04-23 | Aktualisiert: 2025-05-05