Texas Instruments DRV816x Smart-Halbbrücken-Gate-Treiber

Die  DRV816x Smart-Halbbrücken-Gate-Treiber von Texas Instruments sind integrierte 100 V-Bauteile, die High-Side- und Low-Side-N-Kanal-MOSFETs ansteuern können. Dieser Treiber enthält einen bidirektionalen Low-Side-Strommessverstärker für die Stromrückkopplung an den Analog-Digital-Wandler (ADC) des Controllers. Die DRV816x Treiber unterstützen ein 100 % Pulsweitenmodul(PWM-)Tastverhältnis mit einer integrierten Erhaltungsladungspumpe. Diese Treiber verfügen über eine Smart-Gate-Treiber-Architektur, die einen 16-lstufigen Gate-Treiber-Spitzenstrom bis zu einer Quelle von 1 A und eine Senke von 2 A unterstützt. Darüber hinaus verfügen die DRV816x Treiber über einen 13-stufigen VDS-Überstromschwellenwert, einen unabhängigen Abschalt-Pin (nDRVOFF) und eine einstellbare PWM-Totzeiteinfügung von 20 ns bis 900 ns. Dieser Treiber wird in mobilen Robotern, Drohnen, E-Bikes, E-Mobilitäten und linearen Motortransportsystemen verwendet.

Merkmale

  • Steuert zwei N-Kanal-MOSFETs auf einer Halbbrücken-Konfiguration an
    • High-Side-MOSFET-Quelle/-Drain bis zu 102 V (absolutes Maximum)
    • 8 V (5 V DRV8162L) bis 20 V Gate-Treiber-Netzteil
    • Integrierte Bootstrap-Diode
  • Qualitätsmanagement der funktionalen Sicherheit mit Dokumentation zur Unterstützung des Designs von funktionalen Sicherheitssystemen
  • Unterstützt 100 % PWM-Tastverhältnis mit einer integrierten Erhaltungsladungspumpe
  • 16-stufiger Gate-Treiber-Spitzenstrom
    • 16 mA - 1.000 mA Quellstrom
    • 32 mA - 2.000 mA Senkstrom
    • Quellen-Senken-Stromverhältnis 1:1, 1:2, 1:3
  • Einstellbare PWM-Totzeiteinfügung 20 ns — 900 ns
  • Robustes Design für die Motorphasenschaltung (SH)
    • Anstiegsrate 50 V/ns
    • Negative Transientenspannung -20 V
    • 2 A starker Gate-Pull-Down
  • Geteilte Gate-Treiber-Versorgungseingänge für redundante Abschaltung (DRV8162, DRV8162L)
  • Strommessverstärker mit niedrigem Offset (DRV8161) und einstellbarem Gain (5, 10, 20, 40 V/V)
  • Flexible PWM-Steuerungsschnittstelle; 2-Pin-PWM, 1-Pin-PWM und unabhängiger PWM-Modus
  • 13-stufiger VDS über den Stromschwellenwert
  • Unabhängiger Shutdown-Pin (nDRVOFF)
  • Sanftabschaltsequenz des Gate-Treibers
  • Integrierte Schutzfunktionen
    • GVDD-Unterspannung (GVDDUV)
    • Bootstrap-Unterspannung (BST_UV)
    • MOSFET-Überstromschutz (VDS)
    • Durchzündungsschutz
    • Thermische Abschaltung (OTSD)
    • Fehlerzustandsanzeige (nFAULT)
  • Unterstützt 3,3 V und 5 V Logikeingänge

Applikationen

  • Mobile Roboter (AGV/AMR)
  • Drohnen
  • Servoantriebe
  • Industrieroboter und kollaborative Roboter
  • Lineare Motortransportsysteme
  • E-Bikes, E-Scooter und E-Mobilität

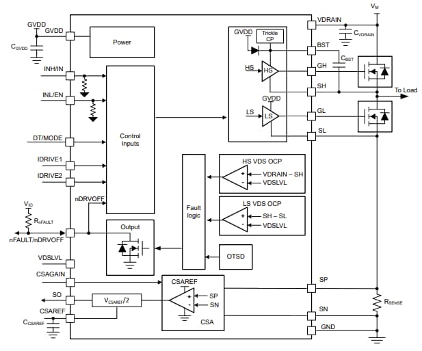
Funktionales Blockdiagramm

Blockdiagramm - Texas Instruments DRV816x Smart-Halbbrücken-Gate-Treiber

Applikations-Schaltplan

Applikations-Schaltungsdiagramm - Texas Instruments DRV816x Smart-Halbbrücken-Gate-Treiber
Veröffentlichungsdatum: 2025-01-21 | Aktualisiert: 2025-05-06